Operation CHARM: Car repair manuals for everyone.
Manuals through 2025 now available!

Our trusted friends have launched a new website named LEMON, which has newer manuals. It also contains all the CHARM manuals.

LEMON is the spiritual successor to CHARM, I recommend you try it!

Link: lemon-manuals.la or lemon-manuals.org.ua

(Some people have issue connecting. LEMON is investigating. For now, use Firefox or change your DNS server)

Or, hide this message: temporarily or permanently

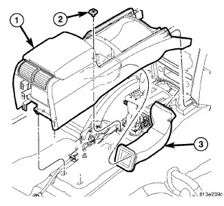
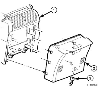
Floor Console - Installation






INSTALLATION





1. Position the console (1) into the vehicle and install the screws (2).
2. Position the cup holder mat back into the console and seat fully.





3. Connect the electrical connector (3) and install the rear cover (2) onto the console (1).





4. Position the shifter bezel and seat fully.





5. Position the shifter bezel trim ring and seat fully.