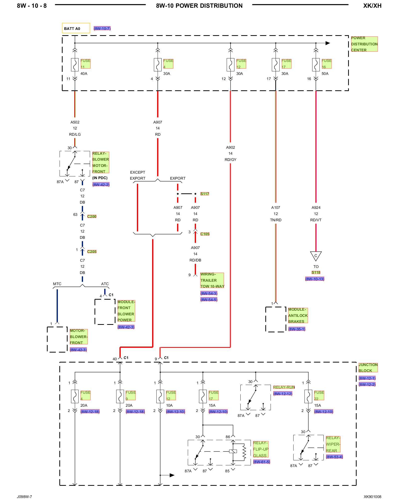
Power Distribution 8W-10-08
POWER DISTRIBUTION - Diagram 08
PLEASE NOTE: Some diagrams may appear to be missing because of gaps in the number sequences. These "gaps" are actually for diagrams that do not apply to the vehicle model selected.
Next Diagram Power Distribution 8W-10-10
Previous Diagram Power Distribution 8W-10-07
Other Diagrams: Other diagrams referred to by number (i.e. 8W-70-2, etc.) within these diagrams can be found at the vehicle level under Diagrams by Number Diagrams By Number