Operation CHARM: Car repair manuals for everyone.
Manuals through 2025 now available!

Our trusted friends have launched a new website named LEMON, which has newer manuals. It also contains all the CHARM manuals.

LEMON is the spiritual successor to CHARM, I recommend you try it!

Link: lemon-manuals.la or lemon-manuals.org.ua

(Some people have issue connecting. LEMON is investigating. For now, use Firefox or change your DNS server)

Or, hide this message: temporarily or permanently

Electrohydraulic Control Unit - Assembly






ASSEMBLY

CAUTION: Make certain all valves and springs are assembled correctly. Failure to follow this caution may result in transmission failure.

NAG1 VALVE BODY SPRING DIMENSION






NOTE: Pay great attention to cleanliness for all work on the shift plate. Fluffy cloths must not be used. Leather cloths are particularly good. After dismantling, all parts must be washed and blown out with compressed-air, noting that parts may be blown away.










1. Install the pressure supply valve (1) into the valve body.

NAG1 VALVE BODY SPRING DIMENSION









LOWER VB SECTION 1





2. Lubricate and install the B-2 Shift Valve assembly (1), 2-3 Holding Pressure Valve assembly (2), 2-3 Command Valve assembly (3), 2-3 Shift Pressure Shift Valve assembly (4), TCC Damper Valve (5) if equipped and the T/CC Lock-Up Regulator Valve assembly (6) into the valve body.
3. Install the side cover and the screws holding the side cover (7) to the valve body and valve housing. Tighten the screws to 4 Nm (35 in.lbs.).

NAG1 VALVE BODY SPRING DIMENSION









LOWER VALVE BODY SECTION 2





4. Lubricate and install the 1-2 / 4-5 Overlap Regulating Valve, Sleeve, and Piston assembly (1), Shift Pressure Regulating Valve assembly (2), Control Valve Pressure Regulator Valve assembly (3) and Shift Solenoid Pressure Regulating Valve assembly (4) into the valve body.
5. Install the side cover and the screws holding the side cover (5) to the valve body and valve housing. Tighten the screws to 4 Nm (35 in.lbs.).

NAG1 VALVE BODY SPRING DIMENSION









LOWER VALVE BODY SECTION 3





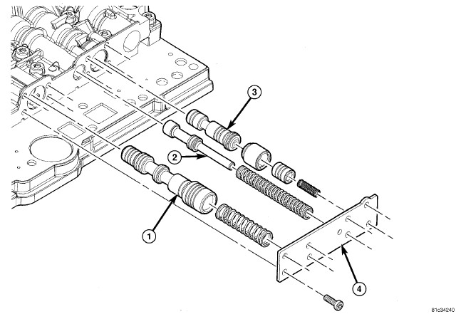
6. Lubricate and install the 1-2 / 4-5 Command valve assembly (1), 1-2 / 4-5 Holding Pressure Shift Valve (2) and the 1-2 / 4-5 Shift Pressure assembly (3) into the valve body.
7. Install the side cover and the screws holding the side cover (4) to the valve body and valve housing. Tighten the screws to 4 Nm (35 in.lbs.).

NAG1 VALVE BODY SPRING DIMENSION









UPPER VALVE BODY SECTION 1





8. Lubricate and install the sector valve (1).
9. Lubricate and install 3-4 Holding Pressure Shift Valve assembly (2), 3-4 Command Valve assembly (3), 3-4 Shift Pressure assembly (4) and the 3-4 Overlap Regulating Valve Sleeve and Piston assembly (5) into the valve body.
10. Install the side cover and the screws holding the side cover (6) to the valve body and valve housing. Tighten the screws to 4 Nm (35 in.lbs.).

NAG1 VALVE BODY SPRING DIMENSION









UPPER VALVE BODY SECTION 2





11. Lubricate and install the Operating Pressure Regulating Valve assembly (1), Lubricating Pressure Regulating Valve assembly (2) and the 2-3 Overlap Regulating Valve, Sleeve and Piston assembly (3) into the valve body.
12. Install the side cover and the screws holding the side cover (6) to the valve body and valve housing. Tighten the screws to 4 Nm (35 in.lbs.).










NOTE: A total of 12 valve balls are located in the valve body, four made from plastic (4) and eight from steel (1, 3).

13. Install all check balls (1, 3, 4) and the central strainer (2).










14. Install the strainer (1) in the inlet to torque converter lock-up control solenoid valve.










15. Position the sealing plate (3) onto the valve body (4).
16. Install the valve housing (2) onto the valve body (4) and sealing plate (3).
17. Install the shift plate Torx(R) bolts (1). Tighten the bolts to 8 Nm (71 in.lbs.).
18. Install leaf spring (5).










19. Install the strainers (1) for the modulating pressure and shift pressure control solenoid valves into the valve housing.










20. Install the electrohydraulic control module (12) onto the shift plate (13).
21. Bend the retaining lug on stiffening rib on transmission oil temperature sensor to retain the electrohydraulic control module.
22. Install the solenoid valves (6 - 11) into shift plate (13).

NOTE: Check O-rings on solenoid valves for damage and replace if necessary.

23. Install the leaf springs (5).
24. Install the Torx(R) socket bolts (3, 4). Tighten the bolts to 8 Nm (71 in.lbs.).

NOTE: Pay attention to the different lengths of the Torx(R) socket bolts.

25. Install the solenoid caps (1, 2) if equipped.
26. Install the electrohydraulic unit into the vehicle.