A/C Suction Line - Installation
INSTALLATION
CAUTION: Be certain to adjust the refrigerant oil level when servicing the A/C refrigerant system Refrigerant Oil Level . Failure to properly adjust the refrigerant oil level will prevent the A/C system from operating as designed and can cause serious A/C compressor damage.
NOTE: When replacing multiple A/C system components, refer to the Refrigerant Oil Capacities chart to determine how much oil should be added to the refrigerant systemRefrigerant Oil Level .
NOTE: Replacement of the refrigerant line O-ring seals and gaskets is required anytime a refrigerant line is disconnected. Failure to replace the rubber O-ring seals and metal gaskets could result in a refrigerant system leak.
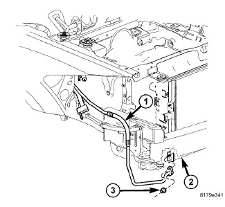
NOTE: LHD model shown in illustrations. RHD model similar.
Upper A/C Suction Line
1. Position the A/C liquid and suction line assembly (4) into the engine compartment.
2. Remove the tape or plugs from the refrigerant line fittings and the evaporator ports.
3. Lubricate the rubber O-rings on new dual-plane seals with clean refrigerant oil and install the seals onto the liquid and suction line fittings. Use only the specified seals as they are made of special materials compatible to the R-134a system. Use only refrigerant oil of the type recommended for the A/C compressor in the vehicle.
4. Connect the A/C liquid and suction line assembly to the A/C evaporator (6).
5. Install the bolt (3) that secures the A/C liquid and suction line assembly to the A/C evaporator. Tighten the bolt to 12 Nm (105 in. lbs.).
6. On RHD models, engage the retainers that secure the power brake booster vacuum supply hose to the dash panel.
7. Install the nut (1) that secures the refrigerant line bracket (2) to the right front strut tower (5). Tighten the nut to 4.5 Nm (40 in. lbs.).
8. Install the windshield washer reservoir, power steering reservoir and the engine coolant reservoir.
9. Position the heat shield (3) onto the studs (2) located on the dash panel in the engine compartment.
10. Install the three nuts (1) that secure the heat shield to the dash panel. Tighten the nuts to 1 Nm (10 in. lbs.).
NOTE: Illustration shown with front fascia removed for clarity.
11. Raise and support the vehicle.
12. Remove the tape or plugs from the liquid line fitting and the condenser port.
13. Lubricate a new rubber O-ring seal with clean refrigerant oil and install it and a new gasket onto the liquid line fitting. Use only the specified O-ring as it is made of a special material for the R-134a system. Use only refrigerant oil of the type recommended for the A/C compressor in the vehicle.
14. Reach up through the opening in the bottom of the front fascia and connect the A/C liquid line (1) to the A/C condenser (2) and install the retaining nut (3). Tighten the nut to 5 Nm (44 in. lbs.).
15. Install the A/C accumulator Accumulator - Installation.
16. Lower the vehicle.
17. Reconnect the negative battery cable.
18. Evacuate the refrigerant system Refrigerant System Evacuate
19. Be certain to adjust the refrigerant oil level when servicing the A/C refrigerant system Refrigerant Oil Level. Use only refrigerant oil of the type recommended for the A/C compressor in the vehicle.
20. Charge the A/C system Refrigerant System Charge.
Lower A/C Suction Line
NOTE: 5SE12 A/C compressor shown. 6SEU16 compressor similar.
1. Position the lower A/C suction line (2) into the engine compartment.
2. Remove the tape or plugs from the suction line fitting and the compressor port.
3. Lubricate a new rubber O-ring seal with clean refrigerant oil and install it and new gasket onto the suction line fitting. Use only the specified O-ring as it is made of a special material for the R-134a system. Use only refrigerant oil of the type recommended for the A/C compressor in the vehicle.
4. Connect the lower A/C suction line to the A/C compressor (3).
5. Install the nut (1) that secures the A/C suction line to the A/C compressor. Tighten the nut to 20 Nm (15 ft. lbs.).
6. Remove the tape or plugs from the suction line fitting and the accumulator port.
7. Lubricate a new rubber O-ring seal with clean refrigerant oil and install it and new gasket onto the suction line fitting. Use only the specified O-ring as it is made of a special material for the R-134a system. Use only refrigerant oil of the type recommended for the A/C compressor in the vehicle.
8. Connect the lower A/C suction line (3) to the A/C accumulator (1).
9. Install the nut (2) that secures the lower A/C suction line to the A/C accumulator. Tighten the nut to 5 Nm (44 in. lbs.).
10. Reposition the front of the right front wheel house splash shield (3) to the body (4) and install the three push-pin retainers (1) and the three screws (2). Tighten the screws securely.
11. Install the right front wheel Tires and Wheels - Installation.
12. Lower the vehicle.
13. Reconnect the negative battery cable.
CAUTION: Do NOT run the engine with a vacuum pump in operation or with a vacuum present within the A/C system. Failure to follow this caution will result in serious A/C compressor damage.
14. Evacuate the refrigerant system Refrigerant System Evacuate.
15. Adjust the refrigerant oil level Refrigerant Oil Level.
16. Charge the A/C system Refrigerant System Charge.