Operation CHARM: Car repair manuals for everyone.
Manuals through 2025 now available!

Our trusted friends have launched a new website named LEMON, which has newer manuals. It also contains all the CHARM manuals.

LEMON is the spiritual successor to CHARM, I recommend you try it!

Link: lemon-manuals.la or lemon-manuals.org.ua

(Some people have issue connecting. LEMON is investigating. For now, use Firefox or change your DNS server)

Or, hide this message: temporarily or permanently

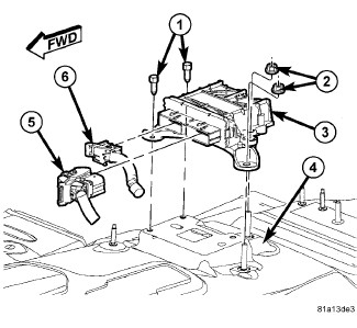
Occupant Restraint Controller - Installation






INSTALLATION

WARNING: To avoid serious or fatal injury on vehicles equipped with side curtain airbags, disable the Supplemental Restraint System (SRS) before attempting any Occupant Restraint Controller (ORC) diagnosis or service. The ORC contains a rollover sensor, which enables the system to deploy the side airbags in the event of a vehicle rollover event. If an ORC is accidentally rolled during service while still connected to battery power, the side curtain airbags will deploy. Disconnect and isolate the battery negative (ground) cable, then wait two minutes for the system capacitor to discharge before performing further diagnosis or service. This is the only sure way to disable the SRS. Failure to take the proper precautions could result in accidental airbag deployment.

WARNING: Disable the Supplemental Restraint System (SRS) before attempting any steering wheel, steering column, airbag, Occupant Classification System (OCS), seat belt tensioner, impact sensor or instrument panel component diagnosis or service. Disconnect and isolate the negative battery (ground) cable, then wait two minutes for the airbag system capacitor to discharge before performing further diagnosis or service. This is the only sure way to disable the SRS. Failure to follow these instructions may result in accidental airbag deployment and possible serious or fatal injury.

WARNING: To avoid serious or fatal injury, never strike or drop the Occupant Restraint Controller (ORC), as it can damage the impact sensor or affect its calibration. The ORC contains the impact sensor, which enables the system to deploy the SRS components. If an ORC is accidentally dropped during service, the module must be scrapped and replaced with a new unit. Failure to observe this warning could result in accidental, incomplete, or improper SRS component deployment.

CAUTION: On vehicles equipped with the Occupant Classification System (OCS), never replace both the Occupant Restraint Controller (ORC) and the Occupant Classification Module (OCM) at the same time. If both require replacement, replace one. Then perform the Supplemental Restraint System (SRS) verification test before replacing the other. Both the ORC and the OCM store OCS calibration data, which they transfer to one another when one of them is replaced. If both are replaced at the same time, an irreversible fault will be set in both modules.

NOTE: The Occupant Restraint Controller (ORC) should only be removed as a complete unit with the molded plastic mounting bracket. The service replacement ORC is supplied already installed on a new bracket.





1. Carefully position the Occupant Restraint Controller (ORC) and mounting bracket unit (3) onto the two studs on the left side of the ORC mount (4) on the floor panel transmission tunnel. When the ORC is correctly positioned, the bracket will fit flush with the mount and the orientation arrow on the label on top of the housing will be pointed forward in the vehicle.
2. Install and tighten the two screws (1) that secure the right side of the ORC mounting bracket to the ORC mount. Tighten the screws to 10.5 Nm (95 in. lbs.).
3. Install and tighten the two nuts (2) that secure the left side of the ORC mounting bracket to the two studs on the ORC mount. Tighten the nuts to 10.5 Nm (95 in. lbs.).
4. Reconnect the instrument panel wire harness connector (6) and the body wire harness connector (5) to the ORC connector receptacles located on the forward-facing side of the module. Be certain that the latches on the connectors are each fully engaged.
5. Reinstall the center console onto the top of the floor panel transmission tunnel. Floor Console - Installation.
6. Do not reconnect the battery negative cable at this time. The Supplemental Restraint System (SRS) verification test procedure should be performed following service of any SRS component. Service and Repair.