Operation CHARM: Car repair manuals for everyone.
Manuals through 2025 now available!

Our trusted friends have launched a new website named LEMON, which has newer manuals. It also contains all the CHARM manuals.

LEMON is the spiritual successor to CHARM, I recommend you try it!

Link: lemon-manuals.la or lemon-manuals.org.ua

(Some people have issue connecting. LEMON is investigating. For now, use Firefox or change your DNS server)

Or, hide this message: temporarily or permanently

Engine Block Disassembly

ENGINE BLOCK

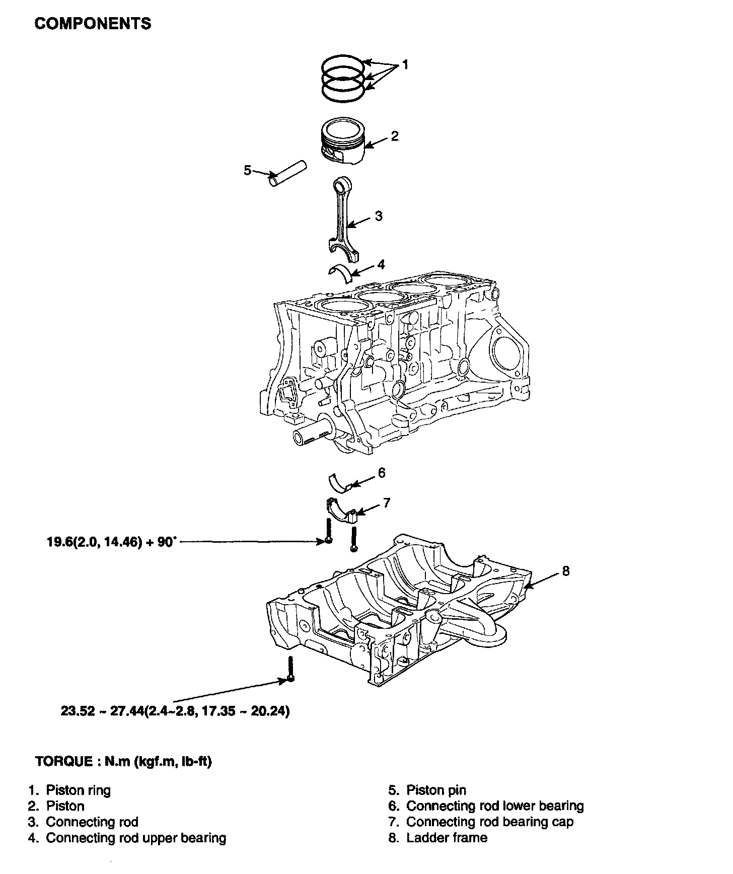
COMPONENTS:








DISASSEMBLY
1. M/T: remove flywheel.
2. A/T: remove drive plate.
3. Install engine to engine stand for disassembly.
4. Remove timing chain.
5. Remove cylinder head.





6. Remove A/C compressor (A) from engine.





7. Remove alternator (A) from engine.





8. Remove power steering pump and bracket.





9. Remove tensioner assembly integrated bracket (A).





10. Remove oil level gauge assembly (A).





11. Remove knock sensor (A).





12. Remove oil pressure sensor (A).





13. Remove CKP sensor (A).
14. Remove water pump.
15. Remove balance shaft module.





16. Remove ladder frame (A).
17. Check the connecting rod end play.
18. Remove the connecting rod caps and check oil clearance.
19. Remove piston and connecting rod assemblies.
1) Using a ridge reamer, remove all the carbon from the top of the cylinder.
2) Push the piston, connecting rod assembly and upper bearing through the top of the cylinder block.

NOTE:
^ Keep the bearings, connecting rod and cap together
^ Arrange the piston and connecting rod assemblies in the correct order

20. Remove crankshaft bearing cap and check oil clearance.
21. Check the crankshaft end play.





22. Lift the crankshaft (A) out of the engine, being careful not to damage journals.

NOTE: Arrange the main bearings and thrust bearings in the correct order.

23. Check fit between piston and piston pin.
Try to move the piston back and forth on the piston pin. If any movement is felt, replace the piston and pin as a set.
24. Remove piston rings.
1) Using a piston ring expender, remove the 2 compression rings.
2) Remove 2 side rails and the spacer by hand.

NOTE: Arrange the piston rings in the correct order only.

25. Disconnect connecting rod from piston.