Operation CHARM: Car repair manuals for everyone.
Manuals through 2025 now available!

Our trusted friends have launched a new website named LEMON, which has newer manuals. It also contains all the CHARM manuals.

LEMON is the spiritual successor to CHARM, I recommend you try it!

Link: lemon-manuals.la or lemon-manuals.org.ua

(Some people have issue connecting. LEMON is investigating. For now, use Firefox or change your DNS server)

Or, hide this message: temporarily or permanently

Shift Linkage: Service and Repair

MANUAL TRANSAXLE SHIFT CONTROL SYSTEM

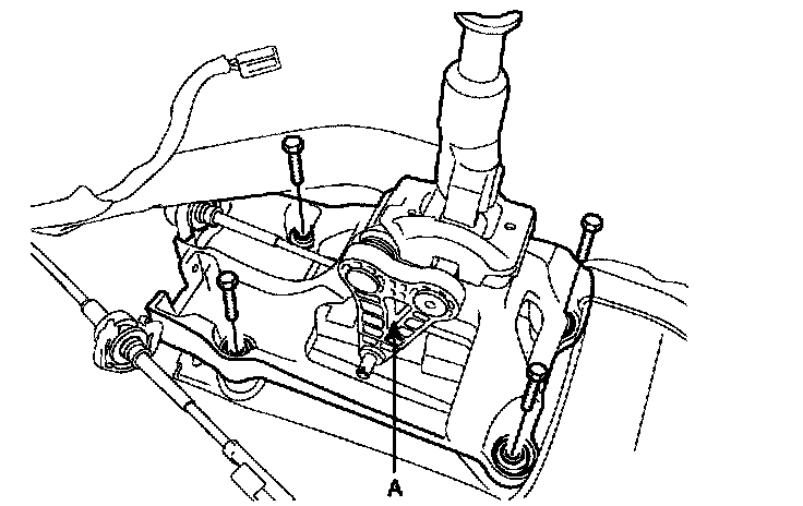
COMPONENTS:





REMOVAL





1. Remove the shift boot (A).





2. Remove the center console (A).





3. Remove the snap pin (B) and the clip (A) from the select cable assembly.





4. Remove the clip (A) from the shift cable assembly.





5. Remove the shift lever assembly (A).





6. Remove the retainer (A) and nuts (B).





7. Remove the select and shift cable assembly (A) from the transaxle.

INSPECTION
1. Check the select cable for proper operation and for damage.
2. Check the shift cable for proper operation and for damage.
3. Check the boots for damage.
4. Check the boots for wear abrasion sticking, restricted movement or damage.
5. Check for the weak or damaged spring.

INSTALLATION





1. Install the cable assembly (A) placing the select and shift lever in neutral position.





2. Install the retainer (A) and nuts (B).





3. Install the shift lever assembly (A).





4. Install the clip (A) connecting the shift cable and the shift lever.





5. Move the slide clip (B) of guide member (A) in the direction as shown in the illustration.

NOTE: Adjust the slide clip fit into the select lever moving the slide clip in the direction (C).





6. Install the guide member (A) of the select cable (B).





7. Adjust the slide clip (B) to fit it into the select lever pin (A) and install the snap pin (C).

NOTE: Insert the slide clip in the direction as shown in the illustration.
* When Insert the slide clip Transmission TGS
Lever must be in neutral position.





8. Install the center console (A).





9. Install the shift boot (A).