Operation CHARM: Car repair manuals for everyone.
Manuals through 2025 now available!

Our trusted friends have launched a new website named LEMON, which has newer manuals. It also contains all the CHARM manuals.

LEMON is the spiritual successor to CHARM, I recommend you try it!

Link: lemon-manuals.la or lemon-manuals.org.ua

(Some people have issue connecting. LEMON is investigating. For now, use Firefox or change your DNS server)

Or, hide this message: temporarily or permanently

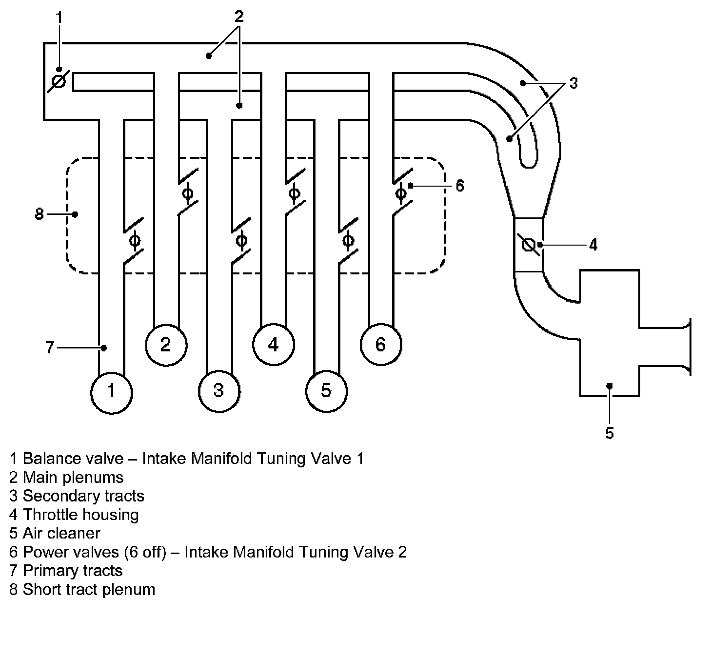
Variable Intake Manifold System



Description







The induction system operates in three conditions:
- Low speed
- Mid-range
- High speed

Low Speed
At low speed the balance valve and power valves are closed. This effectively allows the engine to breathe as two, three cylinder engines, each having a separate plenum and long primary tracts. The primary and secondary tracts and the plenum volume are tuned to resonate at 2700 rev/min, giving peak torque at this speed.

Mid-Range
For increased mid-range torque performance, the plenums are connected using the balance valve. The power valves remain closed. This allows the engine to use the long primary tract length, which is tuned with the balance valve to produce maximum torque at 3750 rev/min.

High Speed
At high engine speeds the balance valve remains open and the six power valves are opened. This allows the engine to breathe from the short tract plenum via the short primary tract lengths. These lengths and diameters are tuned to produce a spread of torque from 4000 rev/min upwards, with maximum power produced at 6250 rev/min.

The manifold also gives an improvement in part load fuel consumption. At part load, the manifold operates as at high speed. The pressure dynamics significantly reduce the pump losses below 4000 rev/min resulting in improved fuel consumption.

The following chart shows the status of both of the valves with respect to engine speed and throttle position:

KV6 Variable Manifold Mapping - Intake Manifold Tuning Valve Status







There are two variable intake manifold system diagnostic checks: -
1. An electrical continuity check while the system is active. A short to battery positive, ground or an open circuit condition can be detected.
2. A rationality check where an always closed or always open valve can be detected. A fault is present if the valve is commanded open and the feedback signal is inactive and vice versa.