Operation CHARM: Car repair manuals for everyone.
Manuals through 2025 now available!

Our trusted friends have launched a new website named LEMON, which has newer manuals. It also contains all the CHARM manuals.

LEMON is the spiritual successor to CHARM, I recommend you try it!

Link: lemon-manuals.la or lemon-manuals.org.ua

(Some people have issue connecting. LEMON is investigating. For now, use Firefox or change your DNS server)

Or, hide this message: temporarily or permanently

Power Flow


Power Flows
The following figures show the power flow in the gearbox for each forward gear and reverse.

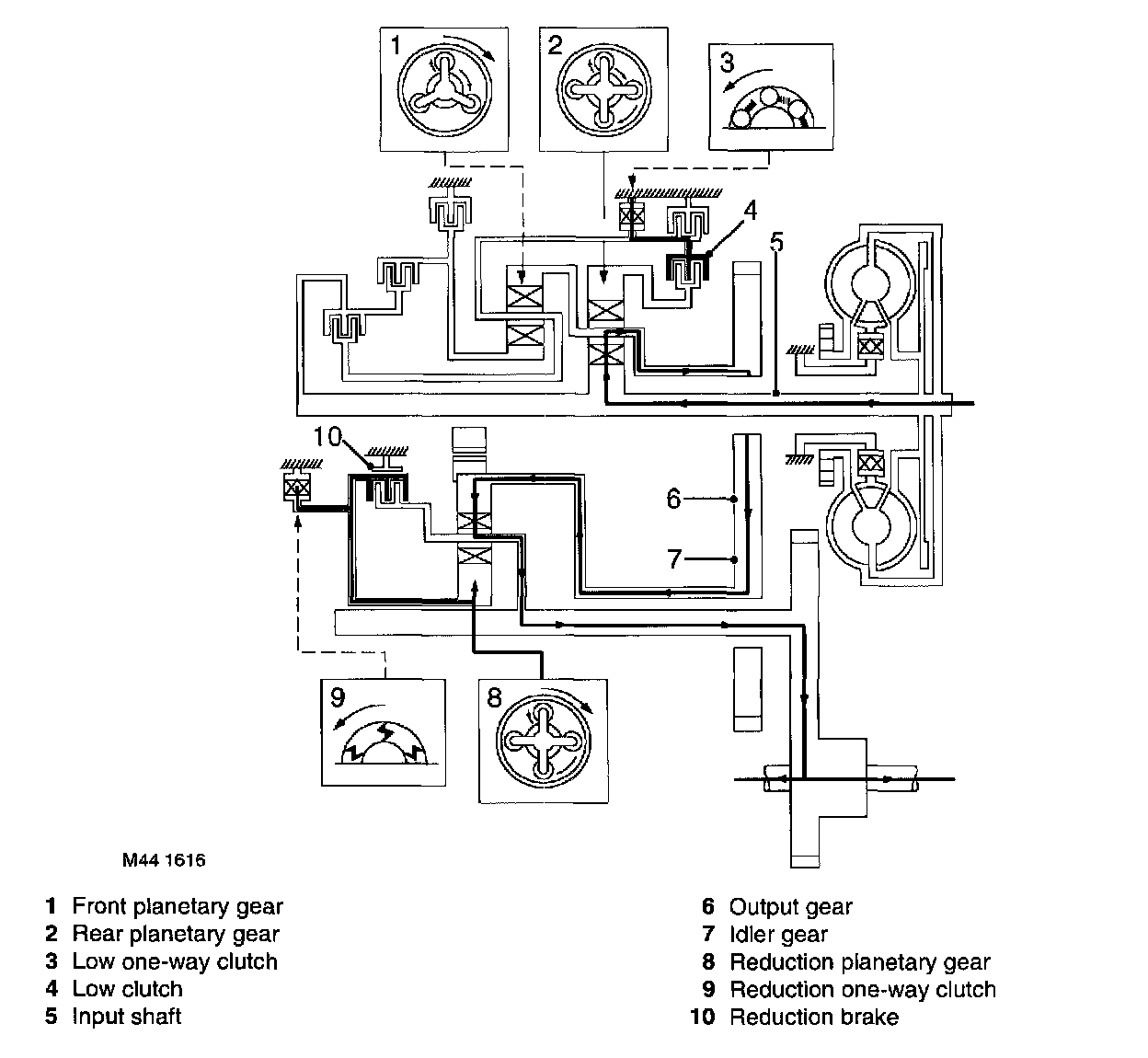
1st Gear (D selected)





On 1st gear selection, the low clutch and the reduction brake are engaged. During acceleration in 1st gear, the low one-way clutch and the reduction clutch are locked. Power flows from the input shaft to the rear sun gear to rotate it clockwise and the rear pinion gear rotates anti-clockwise. The rear internal gear tries to rotate clockwise. However, because the internal gear is connected to the low one-way clutch through the low clutch, the rear internal gear cannot rotate. Consequently, the rear planetary carrier and the output gear rotate clockwise. The output gear rotation is transmitted to the reduction internal gear by the idler gear. The reduction brake locks the reduction sun gear. The reduction gear rotates clockwise and makes the reduction planetary carrier rotate clockwise simultaneously. The reduction gear rotates clockwise and transmits the power to the final drive and out to the road wheels.

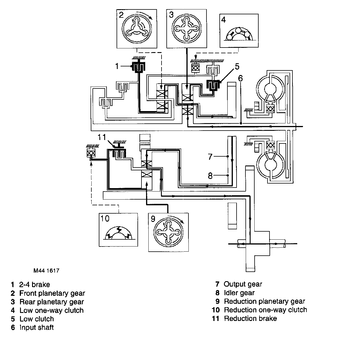
2nd Gear (D selected)





On 2nd gear selection, the low clutch, the 2-4 brake, and the reduction brake are engaged. During acceleration in 2nd gear, the reduction one-way clutch is locked. Power flows from the input shaft to the rear sun gear to rotate it clockwise and the rear pinion gear rotates anti-clockwise. The 2-4 brake locks the front sun gear. The front pinion gear rotates clockwise to force the front planetary carrier to rotate clockwise. The driven power rotates the front internal gear clockwise. The output gear rotates faster due to the front internal gear rotation. The output gear rotation is transmitted to the reduction gear. The reduction gear rotates clockwise and transmits the power to the road wheels in the same way as 1st gear.

3rd Gear (D selected)





On 3rd gear selection, the high clutch, the low clutch, and the reduction brake are engaged. During acceleration in 3rd gear, the reduction one-way clutch is locked. Power flows from the input shaft in a clockwise direction to the high clutch through the front planetary carrier. The front planetary carrier is connected to the rear internal gear by the low clutch. The rear internal gear rotates clockwise at the same speed as the input shaft. The rear sun gear rotates clockwise at the same speed because it is connected to the input shaft and the rear internal gear. The rear pinion does not rotate. The rear planetary carrier rotates in the same direction and speed as the input shaft. The power flow from the rear planetary carrier is transmitted to the reduction gear via the output gear, idler gear, reduction internal gear, and the reduction planetary carrier. The power is then transmitted to the road wheels in the same way as 1st gear.

4th Gear (D selected)





On 4th gear selection, the high clutch, 2-4 brake, and the reduction brake are engaged. During acceleration in 4th gear, the reduction one-way clutch is locked. Power flows from the input shaft to the front planetary carrier to rotate clockwise by the high clutch. The 2-4 brake locks the front sun gear. The front pinion gear rotates clockwise and forces the front planetary carrier to rotate clockwise simultaneously. This allows the front internal gear to rotate clockwise and transmit power to the reduction internal gear via the output gear and idler gear. The rotational speed of the planetary carrier is faster than 3rd gear because of the rotation of the internal gear. Power is then transmitted to the road wheels in the same way as 1st gear.

5th Gear (D selected)





On 5th gear selection, the high clutch, direct clutch, and the 2-4 brake are engaged. Power flows from the input shaft and is transmitted to the reduction internal gear by the high clutch in the same way as in 4th gear. This power is transmitted through the reduction sun gear, final drive and direct clutch to drive the road wheels.

Reverse Gear





On reverse gear selection, the reverse clutch, the low and reverse brake, and the reduction brake are engaged. Power flows from the input shaft to the reverse clutch and the front sun gear. The low and reverse brake is engaged, locking the front planetary carrier in position. When the front sun gear rotates clockwise, the front planetary carrier remains locked. The front pinion gears rotate anti-clockwise, forcing the internal gear and output gear to rotate anti-clockwise. The output gear rotation is transmitted to the reduction internal gear by the idler gear. The reduction brake locks the reduction sun gear, the reduction planetary carrier rotates in the reverse direction to the forward ranges and transmits drive to the road wheels through the final drive.