Operation CHARM: Car repair manuals for everyone.
Manuals through 2025 now available!

Our trusted friends have launched a new website named LEMON, which has newer manuals. It also contains all the CHARM manuals.

LEMON is the spiritual successor to CHARM, I recommend you try it!

Link: lemon-manuals.la or lemon-manuals.org.ua

(Some people have issue connecting. LEMON is investigating. For now, use Firefox or change your DNS server)

Or, hide this message: temporarily or permanently

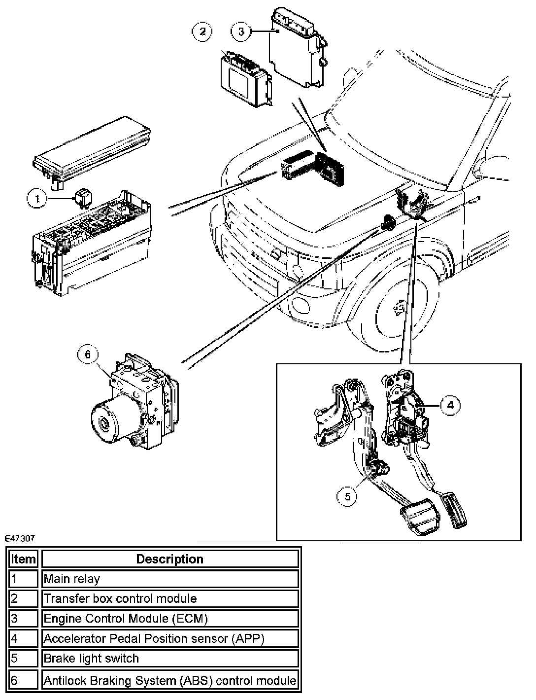
Computers and Control Systems: Locations

[Denso] Electronic Engine Controls Component Location Sheet 1 of 2:



[Denso] Electronic Engine Controls Component Location Sheet (2 of 2):



[Denso] Electronic Engine Controls-Input Control Diagram (Sheet 1 of 2):



[Denso] Electronic Engine Controls-Control Diagram (Sheet 2 of 2):