Operation CHARM: Car repair manuals for everyone.
Manuals through 2025 now available!

Our trusted friends have launched a new website named LEMON, which has newer manuals. It also contains all the CHARM manuals.

LEMON is the spiritual successor to CHARM, I recommend you try it!

Link: lemon-manuals.la or lemon-manuals.org.ua

(Some people have issue connecting. LEMON is investigating. For now, use Firefox or change your DNS server)

Or, hide this message: temporarily or permanently

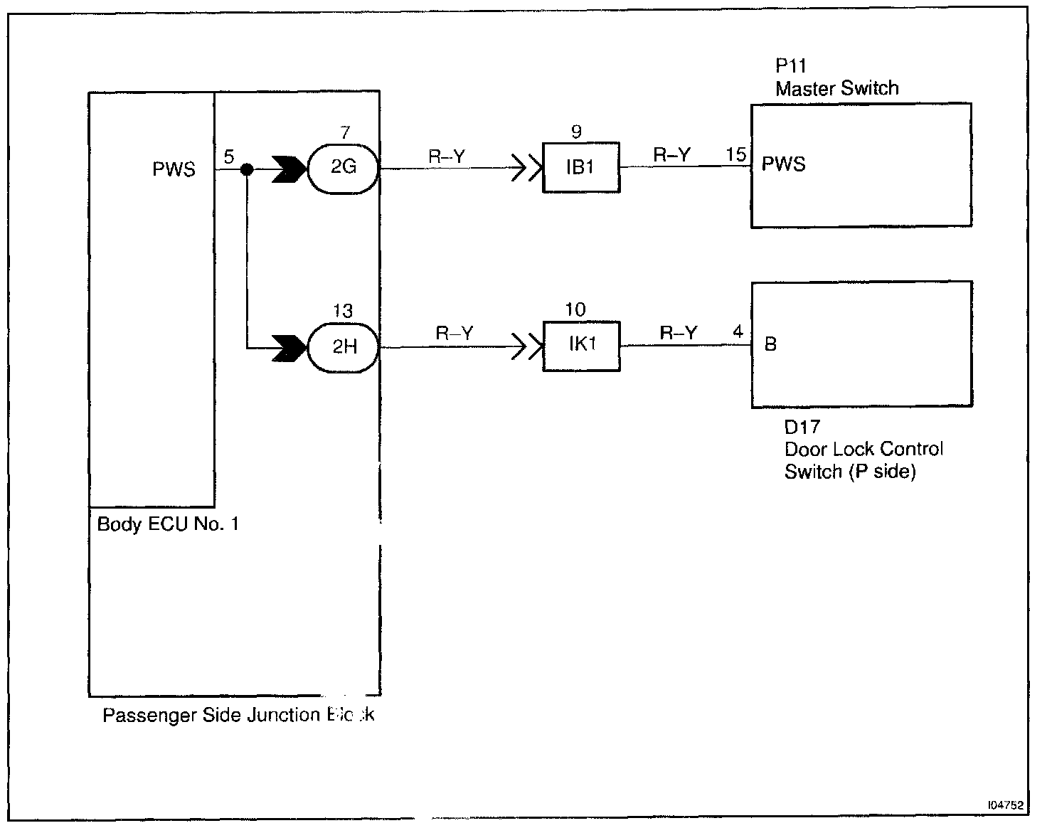
PWS Circuit

CIRCUIT DESCRIPTION

This circuit is the power source of the master switch for the driver's door and the door lock switch for the passenger's doors.

Wiring Diagram:






Step 1:




INSPECTION PROCEDURE