Operation CHARM: Car repair manuals for everyone.
Manuals through 2025 now available!

Our trusted friends have launched a new website named LEMON, which has newer manuals. It also contains all the CHARM manuals.

LEMON is the spiritual successor to CHARM, I recommend you try it!

Link: lemon-manuals.la or lemon-manuals.org.ua

(Some people have issue connecting. LEMON is investigating. For now, use Firefox or change your DNS server)

Or, hide this message: temporarily or permanently

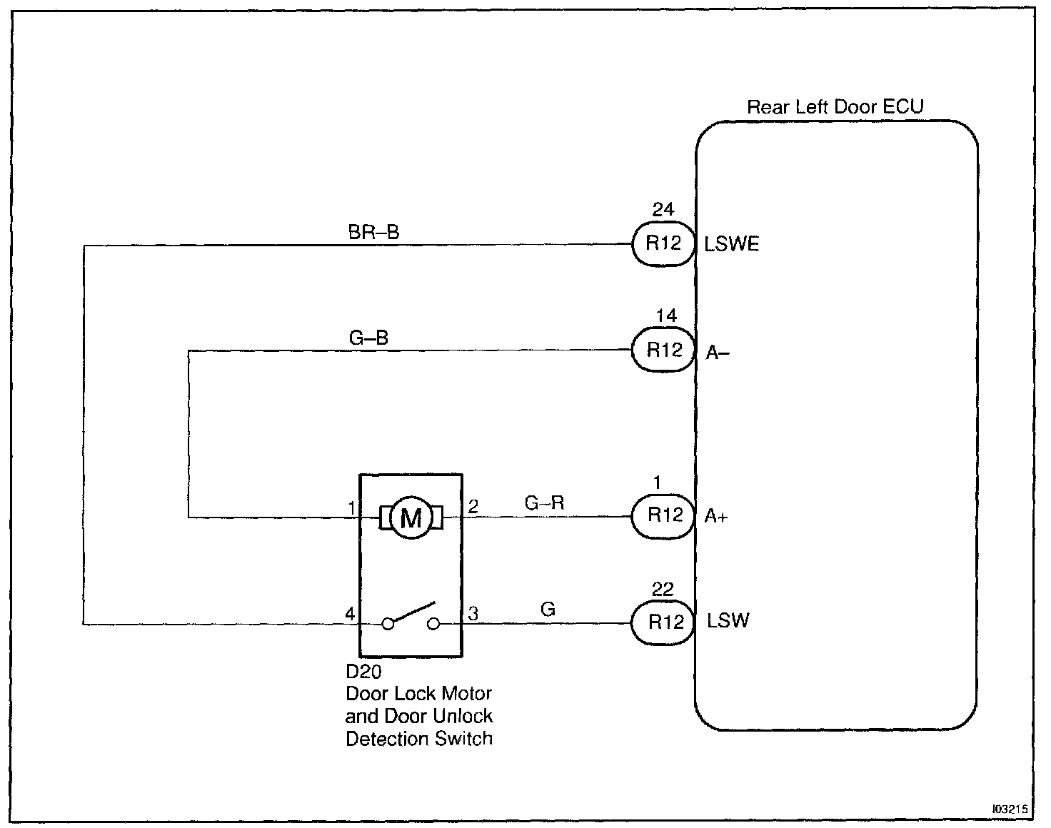
Door Unlock Detection Switch

CIRCUIT DESCRIPTION

The door unlock detection switch is built in the door lock motor assembly. This switch is ON when the door lock knob is in the unlock position and OFF when the lock knob is in the lock position. The ECU detects the door lock knob conditions is this circuit. It is used as one of the operating conditions for the key confinement prevention function.

Wiring Diagram:






Step 1 - 2:




INSPECTION PROCEDURE