Operation CHARM: Car repair manuals for everyone.
Manuals through 2025 now available!

Our trusted friends have launched a new website named LEMON, which has newer manuals. It also contains all the CHARM manuals.

LEMON is the spiritual successor to CHARM, I recommend you try it!

Link: lemon-manuals.la or lemon-manuals.org.ua

(Some people have issue connecting. LEMON is investigating. For now, use Firefox or change your DNS server)

Or, hide this message: temporarily or permanently

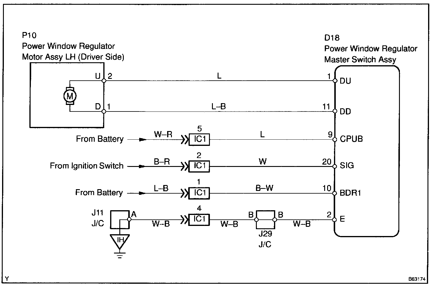
Manual Up/Down Function Does Not Operate At Driver Side

CIRCUIT DESCRIPTION
If the manual UP/DOWN function does not operate, the power window motor, the power window master switch or the wire harness may be abnormal.

Wiring Diagram:






Step 1:




Step 2:




Step 3 - 4:




INSPECTION PROCEDURE