Operation CHARM: Car repair manuals for everyone.
Manuals through 2025 now available!

Our trusted friends have launched a new website named LEMON, which has newer manuals. It also contains all the CHARM manuals.

LEMON is the spiritual successor to CHARM, I recommend you try it!

Link: lemon-manuals.la or lemon-manuals.org.ua

(Some people have issue connecting. LEMON is investigating. For now, use Firefox or change your DNS server)

Or, hide this message: temporarily or permanently

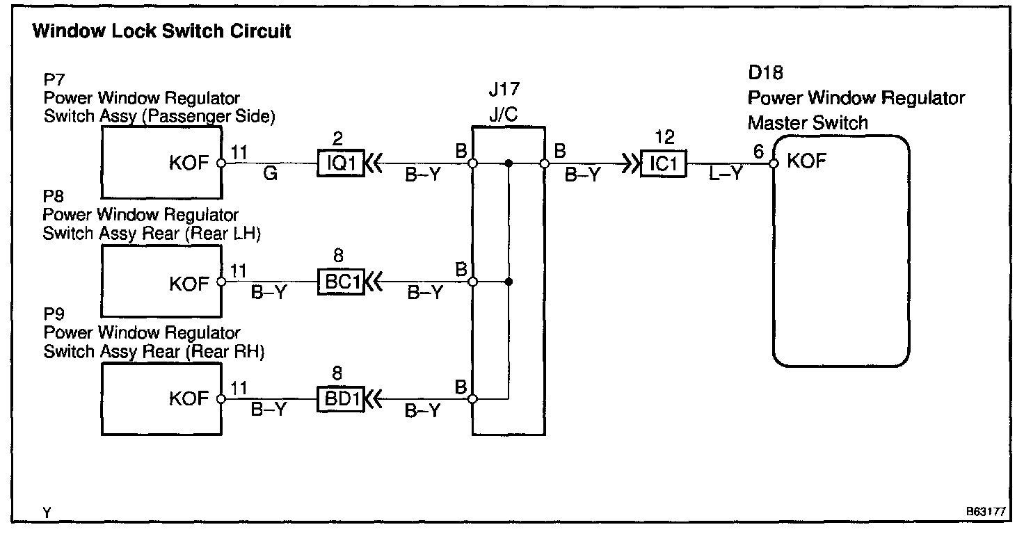
Remote Up / Down Function Does Not Operate

CIRCUIT DESCRIPTION
If the remote control does not operate, the remote function may have been disabled by a malfunction that was detected in the power window circuit. Also, when any power window switch or the wire harness has a malfunction, the remote control for the applicable power window does not function.

Wiring Diagram:




Wiring Diagram:









Step 1 - 2:




Step 3 - 4:




Step 5 - 7:




Step 8 - 10:




Step 11 - 12:




Step 13 - 14:




INSPECTION PROCEDURE

HINT: Check which power window cannot be operated and then proceed with the troubleshooting for the applicable power window as shown in the table.