Operation CHARM: Car repair manuals for everyone.
Manuals through 2025 now available!

Our trusted friends have launched a new website named LEMON, which has newer manuals. It also contains all the CHARM manuals.

LEMON is the spiritual successor to CHARM, I recommend you try it!

Link: lemon-manuals.la or lemon-manuals.org.ua

(Some people have issue connecting. LEMON is investigating. For now, use Firefox or change your DNS server)

Or, hide this message: temporarily or permanently

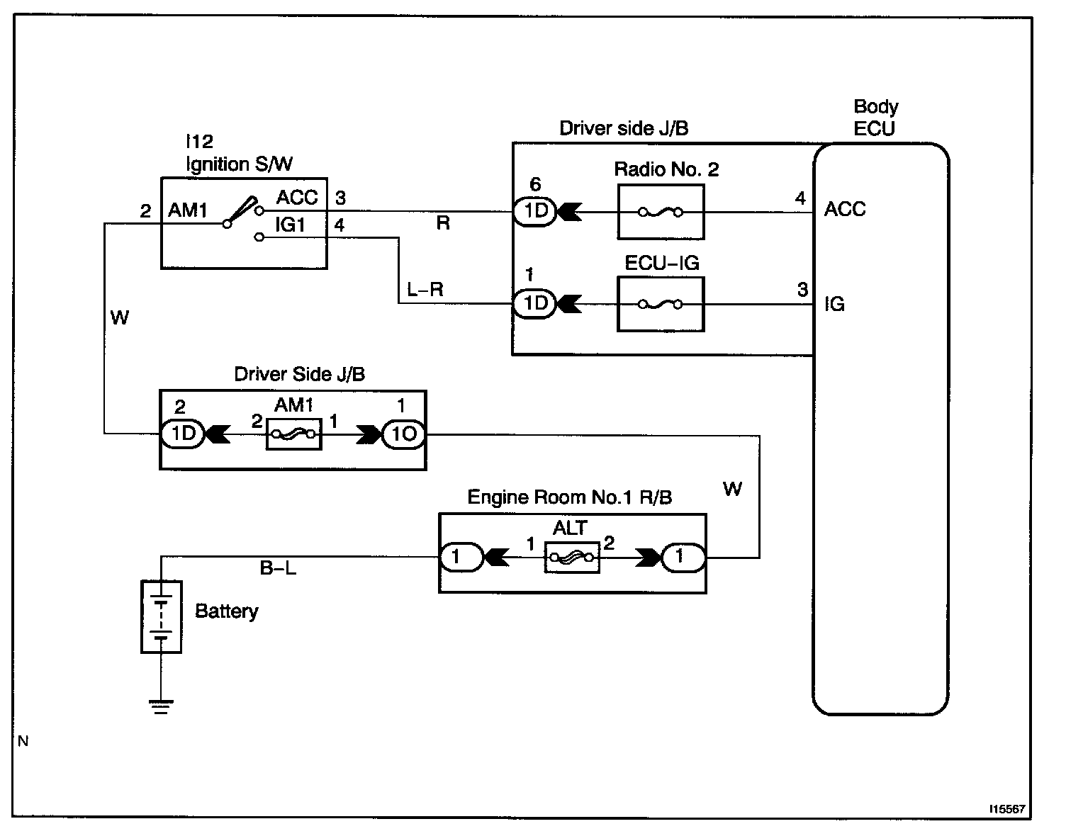
Ignition Switch Power Source Circuit

CIRCUIT DESCRIPTION

When the ignition switch is turned to the ACC position, battery positive voltage is applied to the terminal ACC of the ECU and when the ignition switch is turned to the ON position, battery positive voltage is applied to the terminal IG of the ECU.

Wiring Diagram:






Step 1 - 3:




INSPECTION PROCEDURE