Operation CHARM: Car repair manuals for everyone.
Manuals through 2025 now available!

Our trusted friends have launched a new website named LEMON, which has newer manuals. It also contains all the CHARM manuals.

LEMON is the spiritual successor to CHARM, I recommend you try it!

Link: lemon-manuals.la or lemon-manuals.org.ua

(Some people have issue connecting. LEMON is investigating. For now, use Firefox or change your DNS server)

Or, hide this message: temporarily or permanently

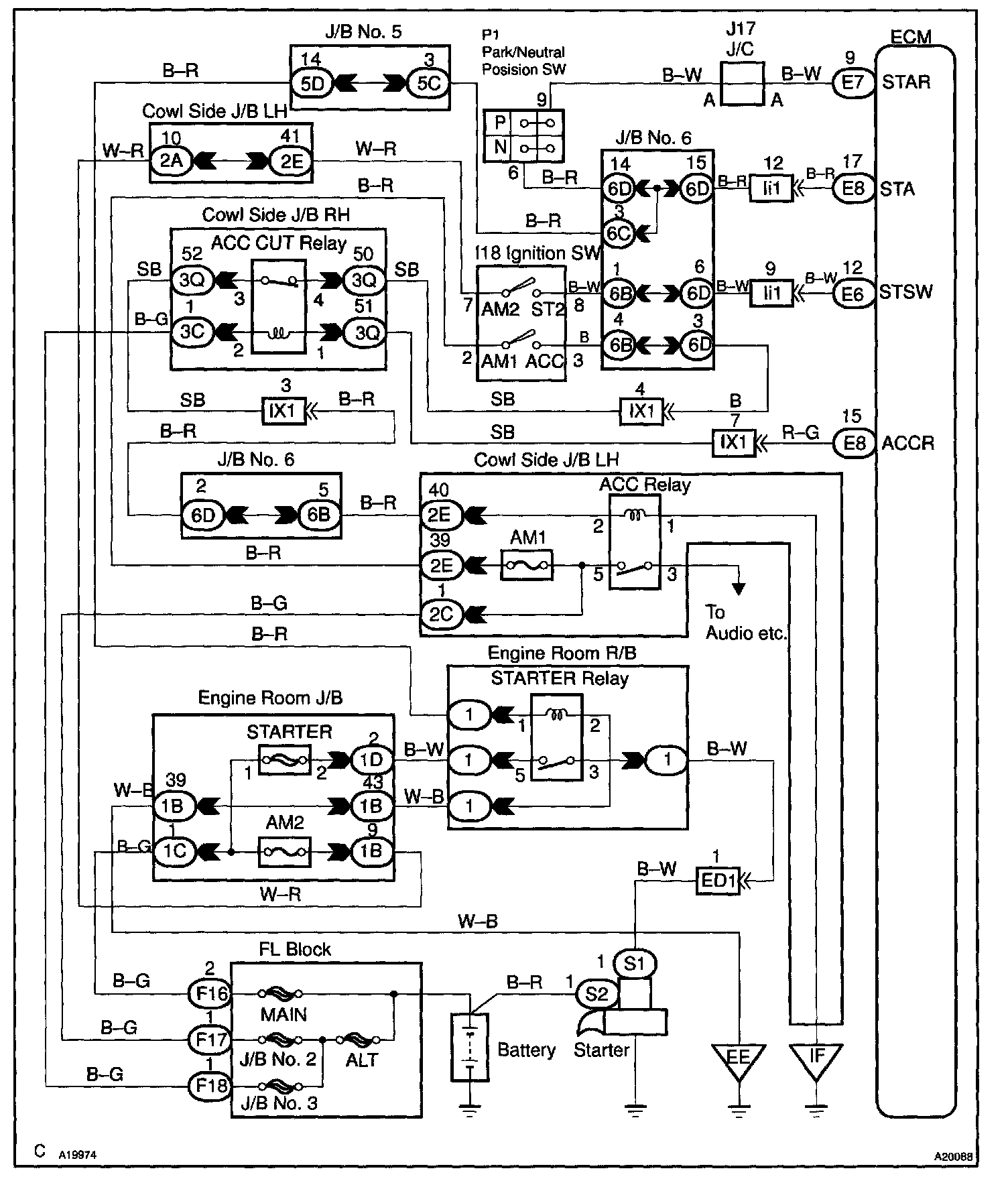
Cranking Holding Function Circuit

CIRCUIT DESCRIPTION




The system is detects the IG switch's starting signal and supply current to starter until judge engine perfect explosion is judged. The purpose is to reduce the holding time of the ignition key is shortening.

Wiring Diagram:






INSPECTION PROCEDURE

Step 1:




Step 2 - 3:




Step 4 - 6:




Step 7 - 8:




Hand-held tester:


Step 1 - 2:




Step 3 - 4:




Step 5 - 7:




Step 8:




OBD II scan tool (excluding hand-held tester):

CHECK FOR INTERMITTENT PROBLEMS

Hand-held tester only:
By putting the vehicle's ECM in the check mode, 1 trip detection logic is possible instead of 2 trip detection logic and sensitivity to detect open circuits is increased. This makes it easier to detect intermittent problems.
1. Clear the DTCs
2. Set the check mode
3. Perform a simulation test
4. Check the connector and terminal
5. Handle the connector