Operation CHARM: Car repair manuals for everyone.
Manuals through 2025 now available!

Our trusted friends have launched a new website named LEMON, which has newer manuals. It also contains all the CHARM manuals.

LEMON is the spiritual successor to CHARM, I recommend you try it!

Link: lemon-manuals.la or lemon-manuals.org.ua

(Some people have issue connecting. LEMON is investigating. For now, use Firefox or change your DNS server)

Or, hide this message: temporarily or permanently

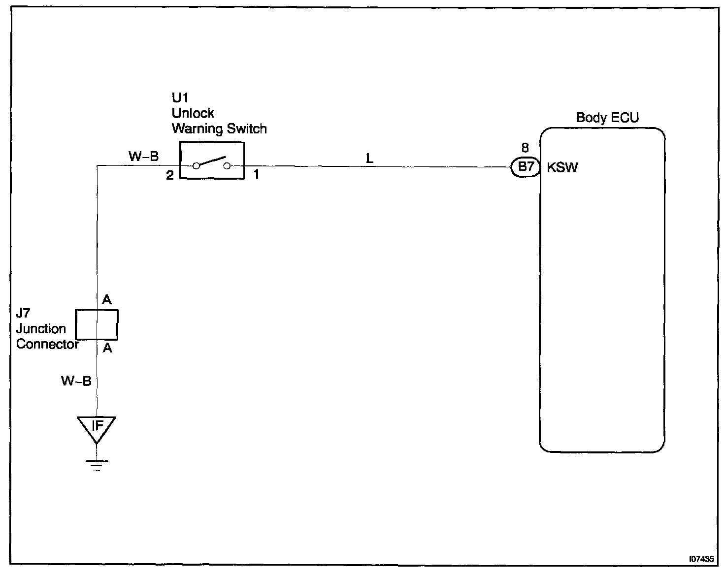
Key Unlock Warning Switch Circuit

CIRCUIT DESCRIPTION

The key unlock warning switch goes on when the ignition key is inserted in the key cylinder and goes off when the ignition key is removed.

The ECU operates the key confinement prevention function while the key unlock warning switch is on.

Wiring Diagram:






Step 1 - 2:




INSPECTION PROCEDURE