Operation CHARM: Car repair manuals for everyone.
Manuals through 2025 now available!

Our trusted friends have launched a new website named LEMON, which has newer manuals. It also contains all the CHARM manuals.

LEMON is the spiritual successor to CHARM, I recommend you try it!

Link: lemon-manuals.la or lemon-manuals.org.ua

(Some people have issue connecting. LEMON is investigating. For now, use Firefox or change your DNS server)

Or, hide this message: temporarily or permanently

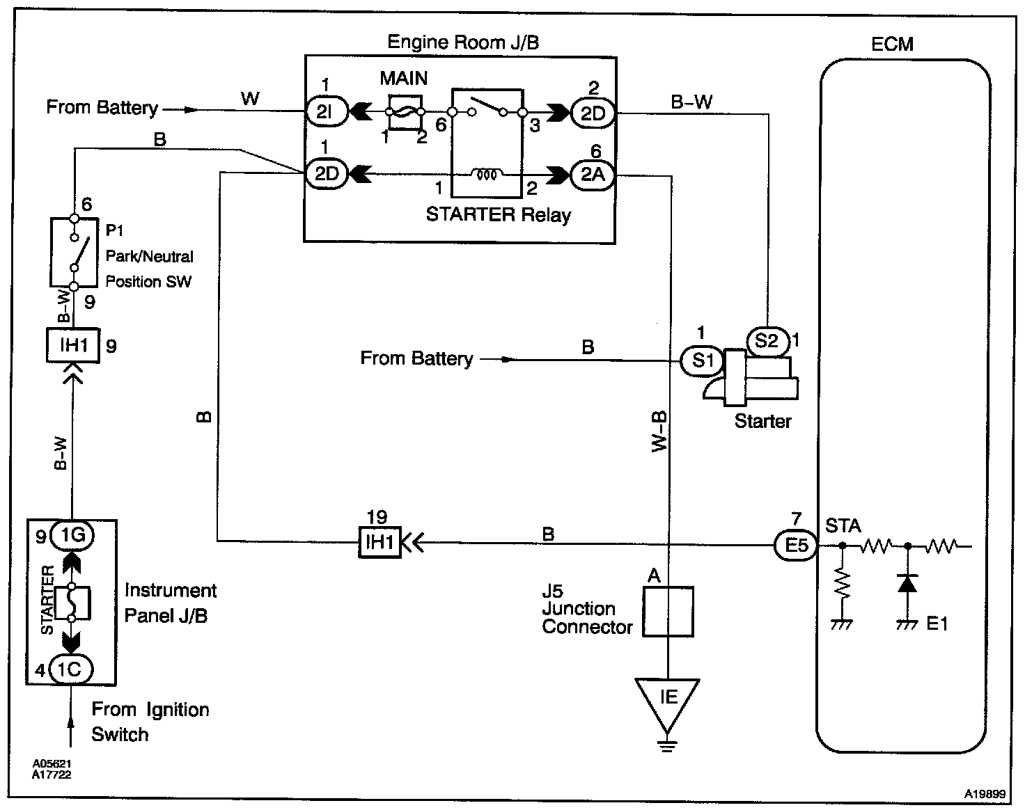
Starter Signal Circuit

CIRCUIT DESCRIPTION

When the engine is cranked, the intake air flow is slow, so fuel vaporization is poor. A rich mixture is therefore necessary in order to achieve good startability. While the engine is being cranked, the battery positive voltage is applied to terminal STA of the ECM. The starter signal is mainly used to increase the fuel injection volume for the starting injection control and after-start injection control.

Wiring Diagram:






INSPECTION PROCEDURE

HINT: This diagnostic chart is based on the premise that the engine is cranked normally. If the engine is not cranked, proceed to Problem Symptoms Table.

Step 1 - 2:




Hand-held tester

Step 1 - 2:




OBD II scan tool (Excluding hand-held tester)