Operation CHARM: Car repair manuals for everyone.
Manuals through 2025 now available!

Our trusted friends have launched a new website named LEMON, which has newer manuals. It also contains all the CHARM manuals.

LEMON is the spiritual successor to CHARM, I recommend you try it!

Link: lemon-manuals.la or lemon-manuals.org.ua

(Some people have issue connecting. LEMON is investigating. For now, use Firefox or change your DNS server)

Or, hide this message: temporarily or permanently

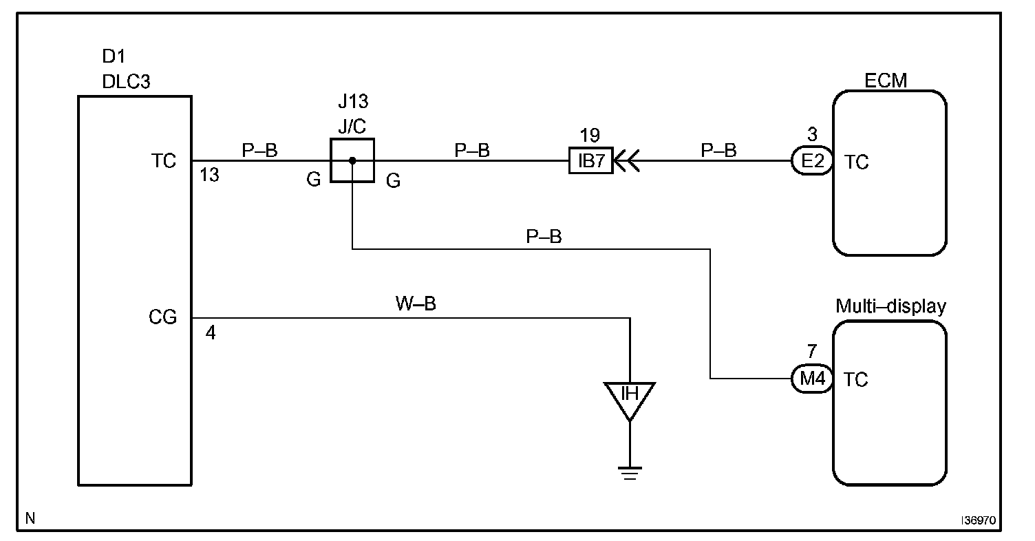
Diagnosis Circuit

Diagnosis Circuit

CIRCUIT DESCRIPTION

This circuit outputs trouble codes on the multi-information display in the combination meter when terminals TC and CG of the DLC3 are connected.

HINT: When a particular warning light stays blinking, a ground short in the wiring of terminal TC of the DLC3 or an internal ground short in the relevant ECU is suspected.

Wiring Diagram:






Step 1:




Step 2 - 3:




INSPECTION PROCEDURE