Operation CHARM: Car repair manuals for everyone.
Manuals through 2025 now available!

Our trusted friends have launched a new website named LEMON, which has newer manuals. It also contains all the CHARM manuals.

LEMON is the spiritual successor to CHARM, I recommend you try it!

Link: lemon-manuals.la or lemon-manuals.org.ua

(Some people have issue connecting. LEMON is investigating. For now, use Firefox or change your DNS server)

Or, hide this message: temporarily or permanently

EVAP System

EVAP INSPECTION PROCEDURE

CIRCUIT DESCRIPTION







When predetermined conditions (closed loop, etc.) are met, the EVAP VSV is opened and stored fuel vapor in the canister is purged to the intake manifold. The ECM changes duty-cycle to the EVAP VSV to control purge flow volume. Purge flow volume is determined by the intake manifold pressure. Atmospheric pressure is allowed into the canister through the vent valve (CCV) to ensure that purge flow is maintained when negative pressure (vacuum) is applied to the canister. This EVAP system contains these components:

MONITOR DESCRIPTION













The EVAP monitor's purpose is to check for EVAP leaks and EVAP VSV and CCV malfunctions. The monitor performs the check by first introducing the intake manifold's negative pressure (vacuum) to the EVAP system. Then, the monitor records change in the EVAP system's pressure levels. The monitor runs when the following conditions are met:
- The engine coolant and intake air temperatures are 4 to 35 °C (40 to 90 °F).
- The engine is idling or the vehicle is being driven at a steady speed.
- The fuel tank pressure is stabilized.

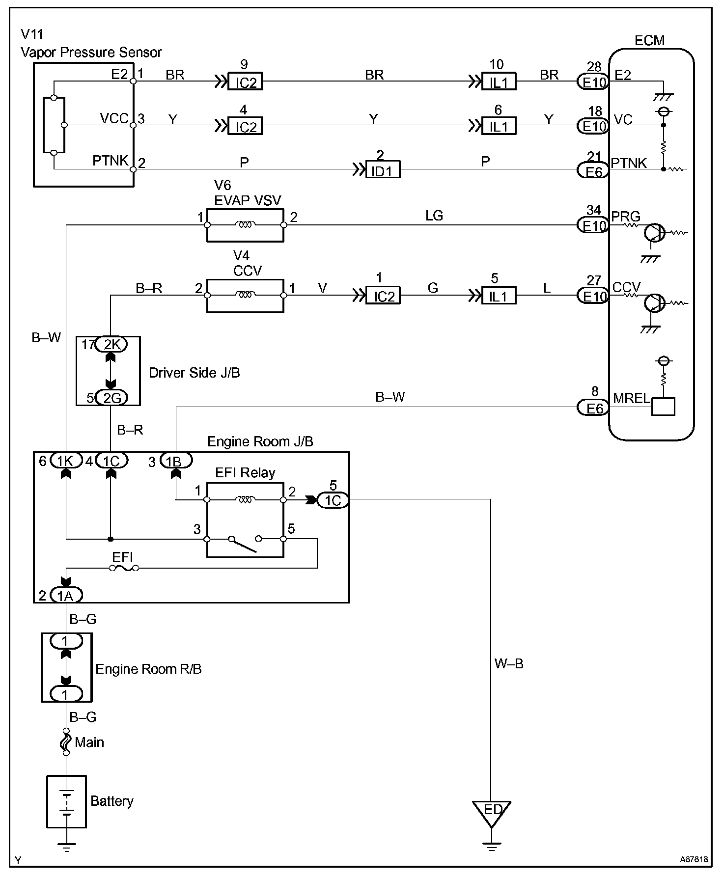
Wiring Diagram:






Step 1 - 2:




Step 3 - 4:




Step 4 (Contd.):




Step 4 (Contd.):




Step 5:




Step 6:




Step 7:




Step 8:




Step 9:




Step 9 (Contd.):




Step 10:




Step 11:




Step 12:




Step 13:




Step 14 - 15:




Step 16 - 17:




Step 17 (Contd.) - 20:




Step 21 - 23:




Step 24 - 25:




Step 25 (Contd.) - 27:




Step 28:




Step 29 - 30:




Step 31 - 32:




Step 33:




Step 34 - 35:




Step 36 - 37:




Step 38 - 39:




Step 40:




INSPECTION PROCEDURE

HINT: Read freeze frame data. Freeze frame data records engine conditions when a malfunction is detected. When troubleshooting, freeze frame data can help determine if the vehicle was running or stopped, if the engine was warmed up or not, if the air-fuel ratio was lean or rich, and other data from the time the malfunction occurred.