Operation CHARM: Car repair manuals for everyone.
Manuals through 2025 now available!

Our trusted friends have launched a new website named LEMON, which has newer manuals. It also contains all the CHARM manuals.

LEMON is the spiritual successor to CHARM, I recommend you try it!

Link: lemon-manuals.la or lemon-manuals.org.ua

(Some people have issue connecting. LEMON is investigating. For now, use Firefox or change your DNS server)

Or, hide this message: temporarily or permanently

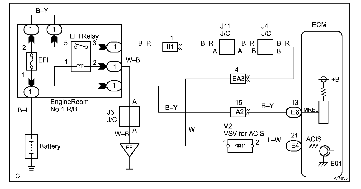
IACV Control Circuit

IACV Control Circuit

CIRCUIT DESCRIPTION




This circuit opens and closes the Intake Air Control Valve (IACV) in response to the engine load in order to increase the intake efficiency (ACIS: Acoustic Control Induction System).

When the engine speed is 2,500 rpm or less or 4,900 rpm or more and the throttle valve opening angle is 60° or more, the VSV is OFF, so that the IACV is open. All the other times, the ECM turns the VSV ON and closes the IACV.

Wiring Diagram:






INSPECTION PROCEDURE

Step 1 - 3:




Step 4 - 5:




Hand-held tester

Step 1 - 3:




Step 4 - 5:




OBD II scan tool (excluding hand-held tester)