Operation CHARM: Car repair manuals for everyone.
Manuals through 2025 now available!

Our trusted friends have launched a new website named LEMON, which has newer manuals. It also contains all the CHARM manuals.

LEMON is the spiritual successor to CHARM, I recommend you try it!

Link: lemon-manuals.la or lemon-manuals.org.ua

(Some people have issue connecting. LEMON is investigating. For now, use Firefox or change your DNS server)

Or, hide this message: temporarily or permanently

Relay Box

Fusible Link Block - Engine Compartment Left:



Instrument Panel J/B - Lower Finish Panel:



Instrument Panel J/B - Lower Finish Panel:



J/B No.2 - Engine Compartment Left:



J/B No.3 - Behind The Combination Meter:



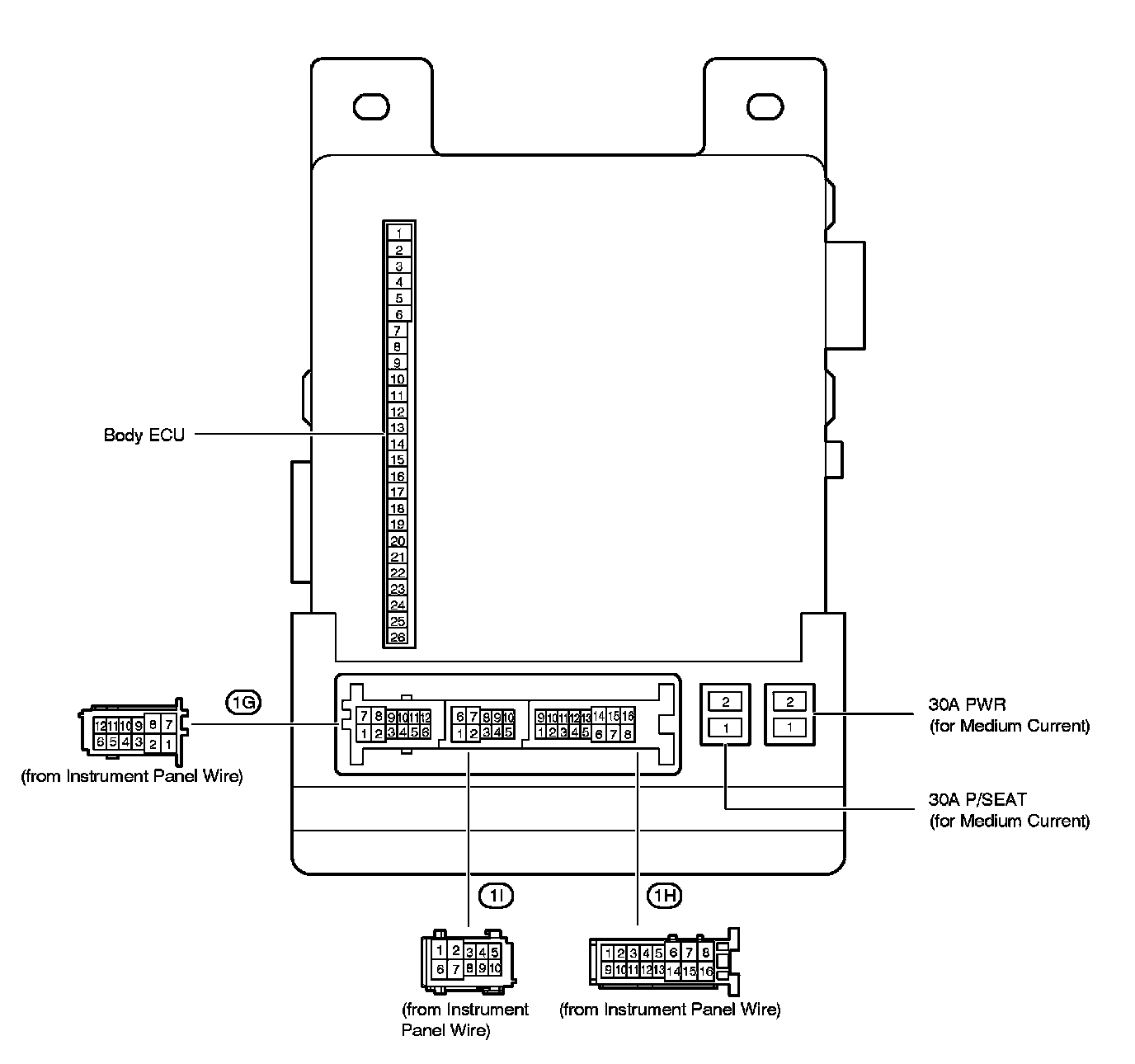
J/B No.4 - Behind The Glove Box:



J/B No.4 - Behind The Glove Box:



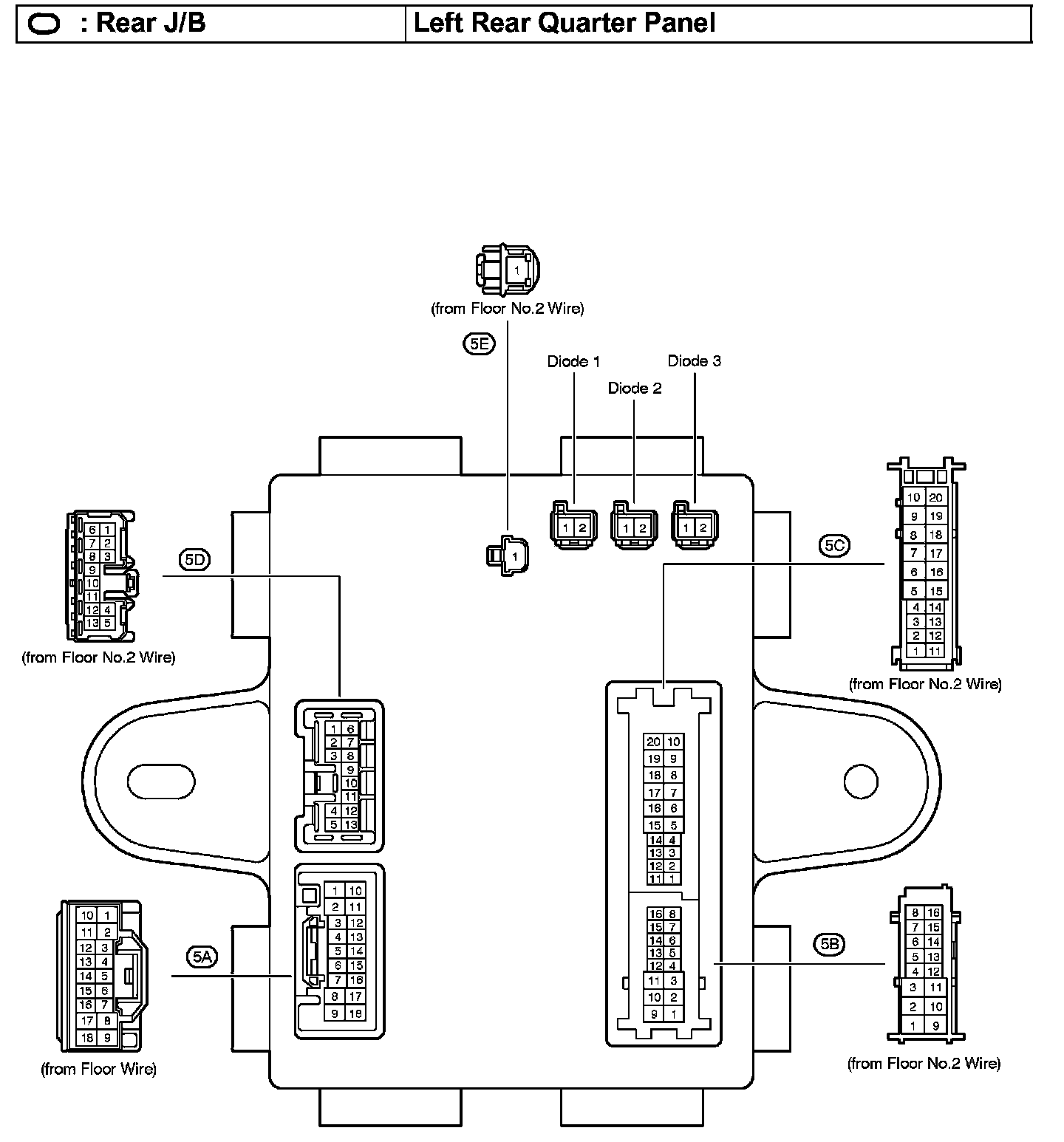
Rear J/B - Left Rear Quarter Panel: