Operation CHARM: Car repair manuals for everyone.
Manuals through 2025 now available!

Our trusted friends have launched a new website named LEMON, which has newer manuals. It also contains all the CHARM manuals.

LEMON is the spiritual successor to CHARM, I recommend you try it!

Link: lemon-manuals.la or lemon-manuals.org.ua

(Some people have issue connecting. LEMON is investigating. For now, use Firefox or change your DNS server)

Or, hide this message: temporarily or permanently

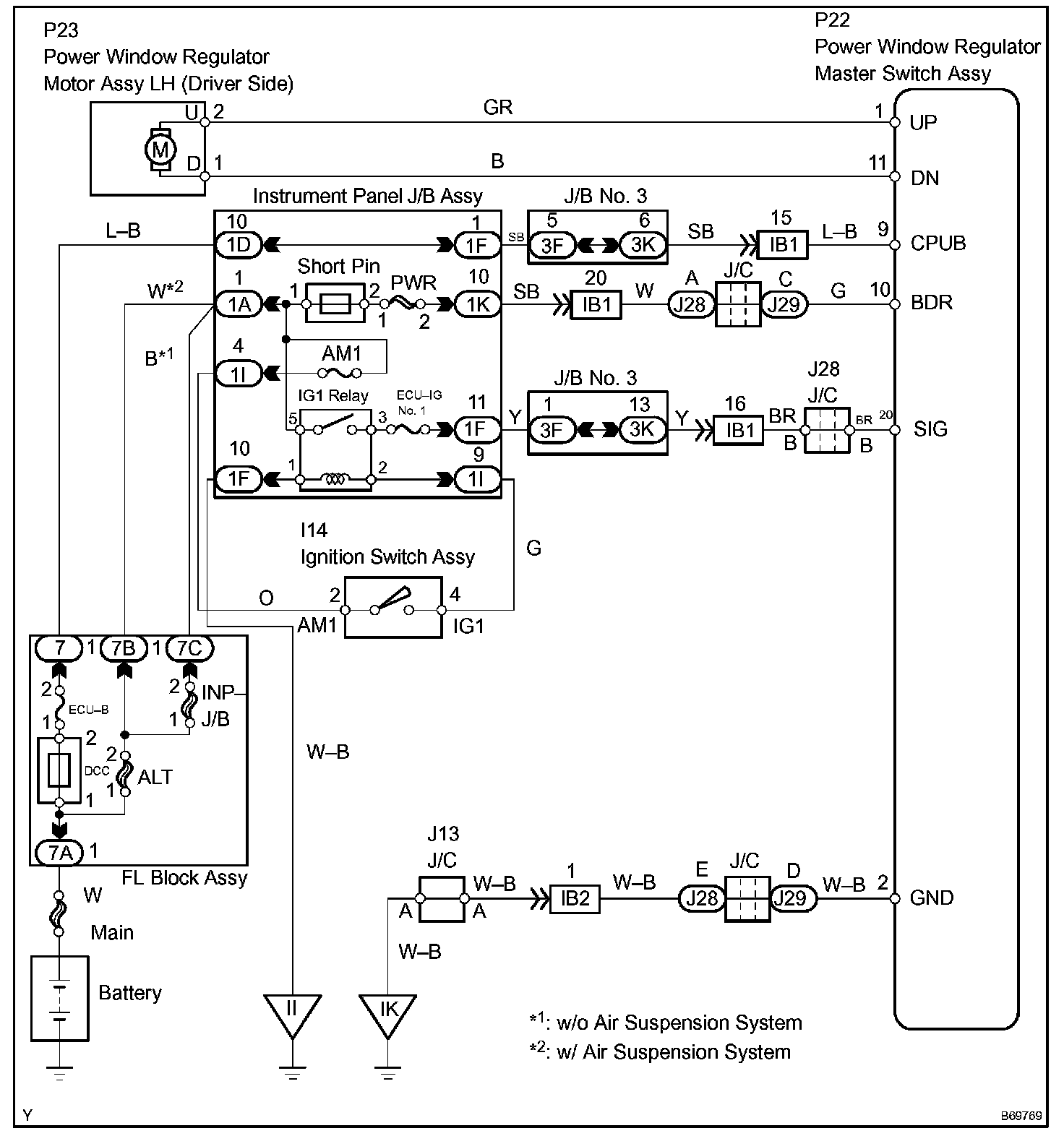
Manual Up/Down Function Does Not Operate At Driver Side

MANUAL UP/DOWN FUNCTION DOES NOT OPERATE ON DRIVER SIDE

CIRCUIT DESCRIPTION
If the manual UP/DOWN function does not operate, the power window regulator motor, the power window regulator master switch or the wire harness may be malfunctioning.

Wiring Diagram:






Step 1 - 4:




Step 5 - 7:




Step 8 - 9:




Step 9 (Continued):




INSPECTION PROCEDURE