Operation CHARM: Car repair manuals for everyone.
Manuals through 2025 now available!

Our trusted friends have launched a new website named LEMON, which has newer manuals. It also contains all the CHARM manuals.

LEMON is the spiritual successor to CHARM, I recommend you try it!

Link: lemon-manuals.la or lemon-manuals.org.ua

(Some people have issue connecting. LEMON is investigating. For now, use Firefox or change your DNS server)

Or, hide this message: temporarily or permanently

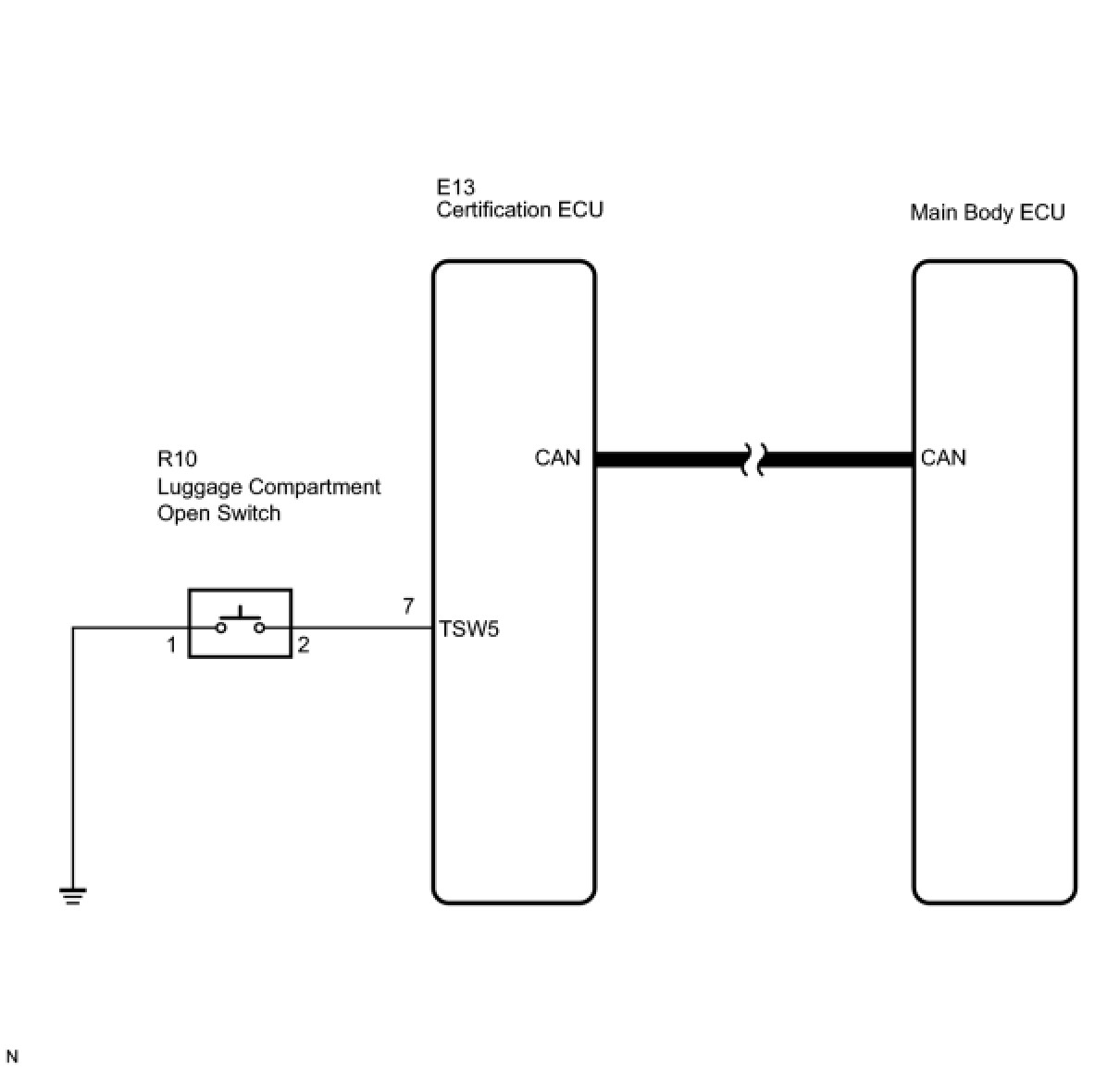
Luggage Compartment Door Open Switch Circuit








DOOR LOCK: SMART ACCESS SYSTEM WITH PUSH-BUTTON START: Luggage Compartment Door Open Switch Circuit

Luggage Compartment Door Open Switch Circuit

DESCRIPTION

If the certification ECU detects that the luggage compartment open switch is pressed when the driver is carrying the electrical key or when the electrical key is unlocked in the luggage compartment door, the certification ECU sends a luggage compartment door open motor drive request signal to the main body ECU.

WIRING DIAGRAM





INSPECTION PROCEDURE

PROCEDURE

1. CHECK HARNESS AND CONNECTOR (CERTIFICATION ECU - LUGGAGE COMPARTMENT OPEN SWITCH)





(a) Disconnect the E13 ECU connector.
(b) Measure the resistance according to the value(s) in the table below.
Standard resistance:






OK -- PROCEED TO NEXT CIRCUIT INSPECTION SHOWN IN PROBLEM SYMPTOMS TABLE
NG -- Continue to next step.
2. INSPECT LUGGAGE COMPARTMENT OPEN SWITCH





(a) Disconnect the switch connector.
(b) Measure the resistance according to the value(s) in the table below.
Standard resistance:






NG -- REPLACE LUGGAGE COMPARTMENT OPEN SWITCH
OK -- REPLACE CERTIFICATION ECU