Operation CHARM: Car repair manuals for everyone.
Manuals through 2025 now available!

Our trusted friends have launched a new website named LEMON, which has newer manuals. It also contains all the CHARM manuals.

LEMON is the spiritual successor to CHARM, I recommend you try it!

Link: lemon-manuals.la or lemon-manuals.org.ua

(Some people have issue connecting. LEMON is investigating. For now, use Firefox or change your DNS server)

Or, hide this message: temporarily or permanently

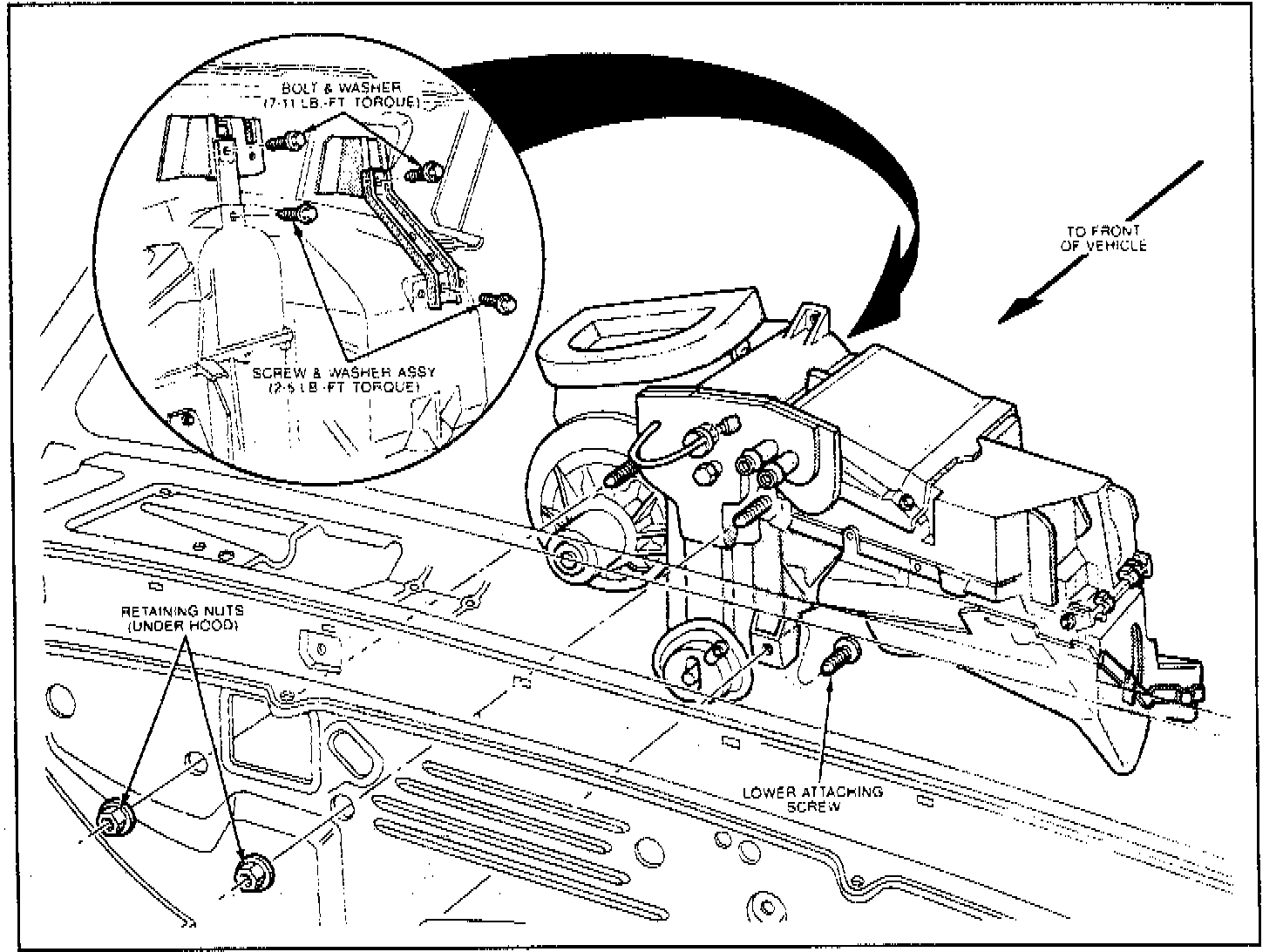
Heater Core: Service and Repair






1. Remove instrument panel.
2. Discharge refrigerant from A/C system, then disconnect high and low pressure hoses. Cap hose ends to prevent entry of dirt and moisture.
3. Drain coolant and disconnect hoses from heater core. Plug hoses and core to prevent spillage.
4. Remove air inlet duct/blower housing assembly support brace to cowl top panel retaining screw.
5. Disconnect A/C wiring, if necessary, then working from engine compartment, remove the two evaporator case to dash panel retaining nuts.






6. Working from passenger compartment, remove evaporator case support bracket to cowl panel attaching screw.
7. Carefully pull evaporator case away from dash panel and remove from vehicle.






8. Remove heater core access cover to evaporator case attaching screws.
9. Remove heater core and seals from case, then remove seals from heater core tubes.
10. Reverse procedure to install.