Operation CHARM
: Car repair manuals for everyone.
Home
>>
Lincoln
>>
2002
>>
Continental V8-4.6L DOHC VIN V
>>
Repair and Diagnosis
>>
Diagrams
>>
Exploded Views
>>
Engine
Manuals through 2025 now available!
Our trusted friends have launched a new website named LEMON, which has newer manuals. It also contains all the CHARM manuals.
LEMON is the spiritual successor to CHARM, I recommend you try it!
Link:
lemon-manuals.la
or
lemon-manuals.org.ua
(Some people have issue connecting. LEMON is investigating. For now, use Firefox or change your DNS server)
Or, hide this message:
temporarily
or
permanently
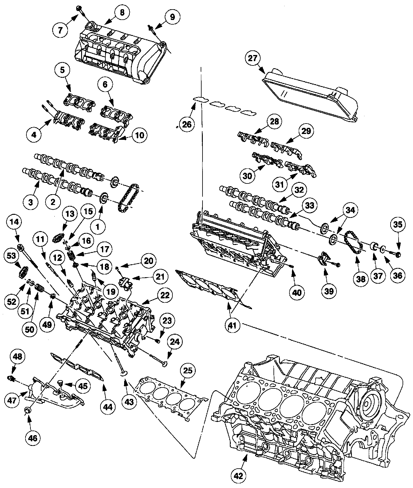
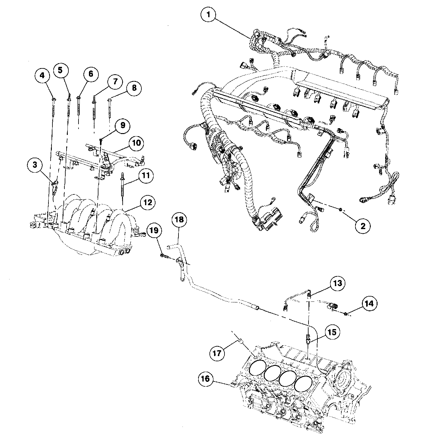
Engine
Engine Component View
Part 1 of 14
Part 2 of 14
Part 3 of 14
Part 4 of 14
Part 5 of 14
Part 6 of 14
Part 7 of 14
Part 8 of 14
Part 9 of 14
Part 10 of 14
Part 11 of 14
Part 12 of 14
Part 13 of 14
Special Tools:
Part 14 of 14