Operation CHARM: Car repair manuals for everyone.
Manuals through 2025 now available!

Our trusted friends have launched a new website named LEMON, which has newer manuals. It also contains all the CHARM manuals.

LEMON is the spiritual successor to CHARM, I recommend you try it!

Link: lemon-manuals.la or lemon-manuals.org.ua

(Some people have issue connecting. LEMON is investigating. For now, use Firefox or change your DNS server)

Or, hide this message: temporarily or permanently

Water Pump: Service and Repair

Water Pump Replacement:





1. Disconnect battery ground cable.
2. Turn crankshaft so that No. 1 cylinder is at TDC of compression.
3. Drain engine coolant.
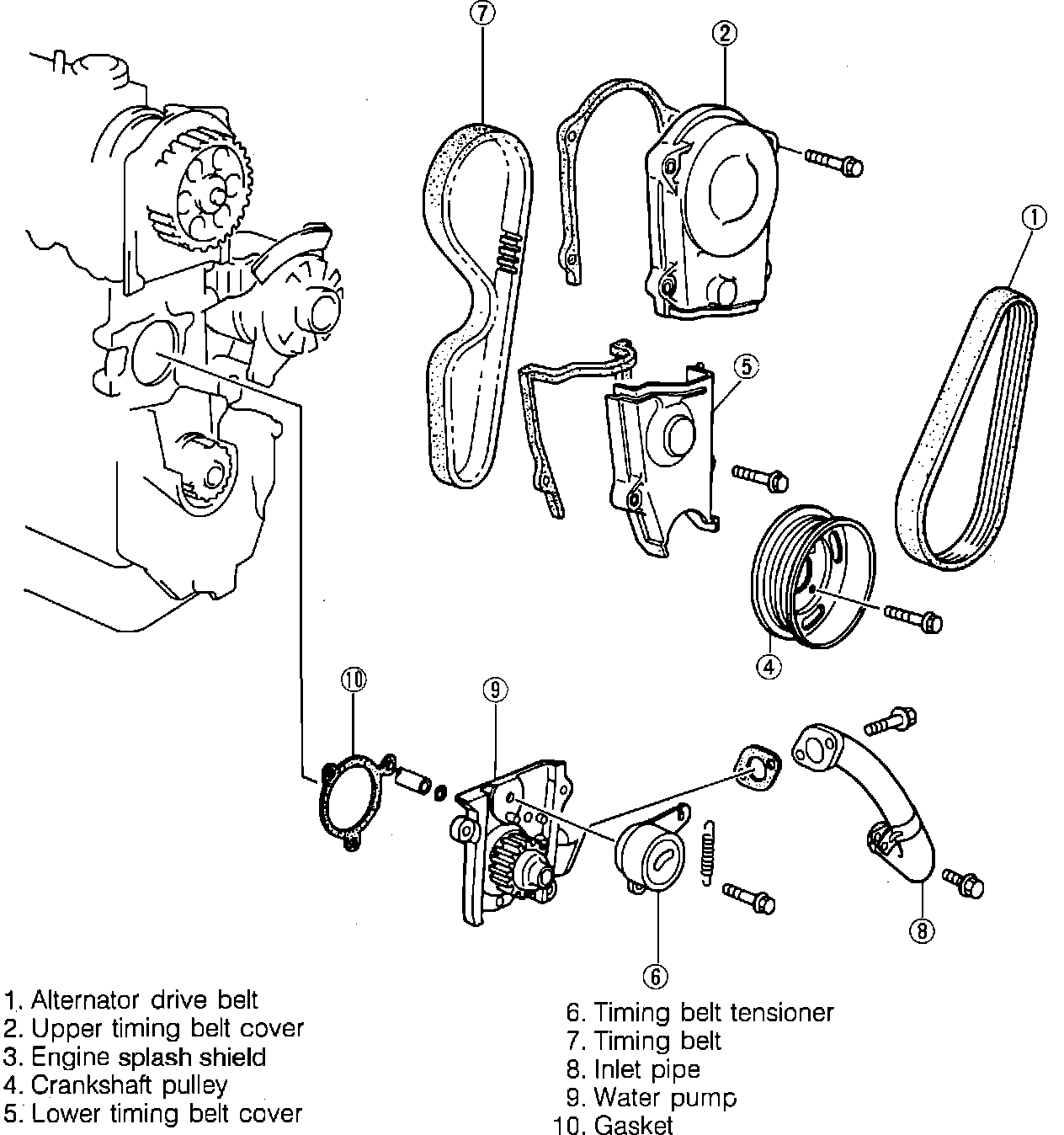
4. Remove components in numbered sequence shown on image.
5. Carefully clean old gasket from water pump mounting surfaces.
6. Reverse procedure to install, noting these points:
a. Torque water pump mounting bolts to 14 - 19 ft. lb. (19 - 25 Nm).
b. Refer to TIMING BELT REPLACE in this section for correct belt installation procedure.
c. Always use new gaskets and seals.
d. After completing work and refilling cooling system, warm engine to operating temperature and check for leaks.