Operation CHARM: Car repair manuals for everyone.
Manuals through 2025 now available!

Our trusted friends have launched a new website named LEMON, which has newer manuals. It also contains all the CHARM manuals.

LEMON is the spiritual successor to CHARM, I recommend you try it!

Link: lemon-manuals.la or lemon-manuals.org.ua

(Some people have issue connecting. LEMON is investigating. For now, use Firefox or change your DNS server)

Or, hide this message: temporarily or permanently

Engine Disassembly

Fig. 4 Engine external components:





EXTERNAL COMPONENTS

1. Remove dipstick and tube assembly, Fig. 4.
2. Remove oil pressure gauge.
3. Disconnect 2 vacuum pump oil hoses from side of engine.
4. Remove alternator drive belt by loosening 2 alternator mounting bolts.
5. Remove alternator and mounting brackets.
6. Mount engine on suitable stand.
7. Remove engine lifting eyes.
8. Remove engine mount located below crankshaft pulley.
9. Remove exhaust manifold heat shield.
10. Remove coil cooler inlet hose and pipe.
11. Remove intake manifold.
12. Remove oil filter, oil return pipe, and oil cooler assembly.



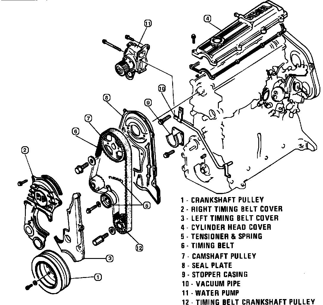
Fig. 5 Timing belt assembly:





TIMING BELT ASSEMBLY

1. Install ring gear brake 49 V101 060 or equivalent.
2. Remove crankshaft pulley, Fig. 5.
3. Remove right and left timing belt covers.
4. Remove valve cover.
5. Loosen belt tensioner lock bolt. Push tensioner away from belt as far as possible, then tighten tensioner lock bolt.
6. Remove timing belt. If belt is to be reused, draw arrow on belt indicating direction of rotation.
7. Hold camshaft with 29 mm wrench, and loosen front camshaft pulley lock bolt.
8. Using suitable puller, pull camshaft sprocket from camshaft. Do not strike camshaft sprocket with hammer.
9. Remove seal plate, Fig. 5.
10. Remove stopper casing, Fig. 5.
11. Remove brake vacuum pipe.
12. Remove water pump.
13. Remove timing belt crankshaft sprocket.



Fig. 6 Injection pump timing belt assembly:





INJECTION PUMP TIMING BELT ASSEMBLY

1. Remove injection pump rear timing belt cover, Fig. 6.
2. Loosen tensioner lock bolt, rotate as far clockwise as possible, then tighten lock bolt.
3. Remove rear timing belt. If belt is to be reused, draw arrow indicating direction of rotation.
4. Remove tensioner and spring.
5. Using 29 mm wrench, hold camshaft and loosen rear camshaft sprocket lock bolt.
6. Using puller 49 S120 215A, or equivalent, pull rear camshaft sprocket from camshaft. Do not strike sprocket with hammer.
7. Install two M8x1.25x45 mm bolts through holes in injection pump sprocket and thread into fuel injection pump bracket to prevent sprocket from turning while loosening lock bolt.
8. Loosen fuel injection pump sprocket lock bolt. Remove two bolts installed in step 7.
9. Using sprocket puller 49 S120 215A, or equivalent, pull sprocket from injection pump shaft.
10. Remove rear seal plate.
11. Remove fuel injection pipes.



Fig. 7 Removing fuel injection pump:





12. Using universal wrench, remove fuel injection pump, Fig. 7.
13. Remove fuel injection pump bracket.

CYLINDER HEAD



Fig. 8 Exploded view of cylinder head:





1. Remove fuel return pipe, Fig. 8.
2. Remove fuel injection nozzles, washers and corrugated washers.
3. Remove glow plugs and cable.



Fig. 9 Camshaft caps loosening sequence:





4. Loosen camshaft cap nuts in sequence shown in Fig. 9.
5. Remove camshaft.
6. Remove adjusting discs and tappets.



Fig. 10 Cylinder head bolt loosening sequence:





7. Loosen cylinder head bolts in sequence shown in Fig. 10.
8. Using plastic hammer, tap cylinder head to assist in removal.
9. Using suitable valve spring compressor, remove valves, spring seats and valve cotters.
10. Remove lower spring seats, then valve seals using valve seal remover 49 S120 170.
11. Using suitable mandrel, remove combustion chamber inserts from bottom surface of cylinder head.



Fig. 11 Exploded view of oil pump, oil pan & flywheel assembly:





OIL PUMP & FLYWHEEL

1. Install ring gear brake on flywheel. Remove clutch cover, clutch disc and flywheel, Fig. 11.
2. Remove oil pan and pickup.
3. Remove rear cover assembly.
4. Remove oil pump body assembly.



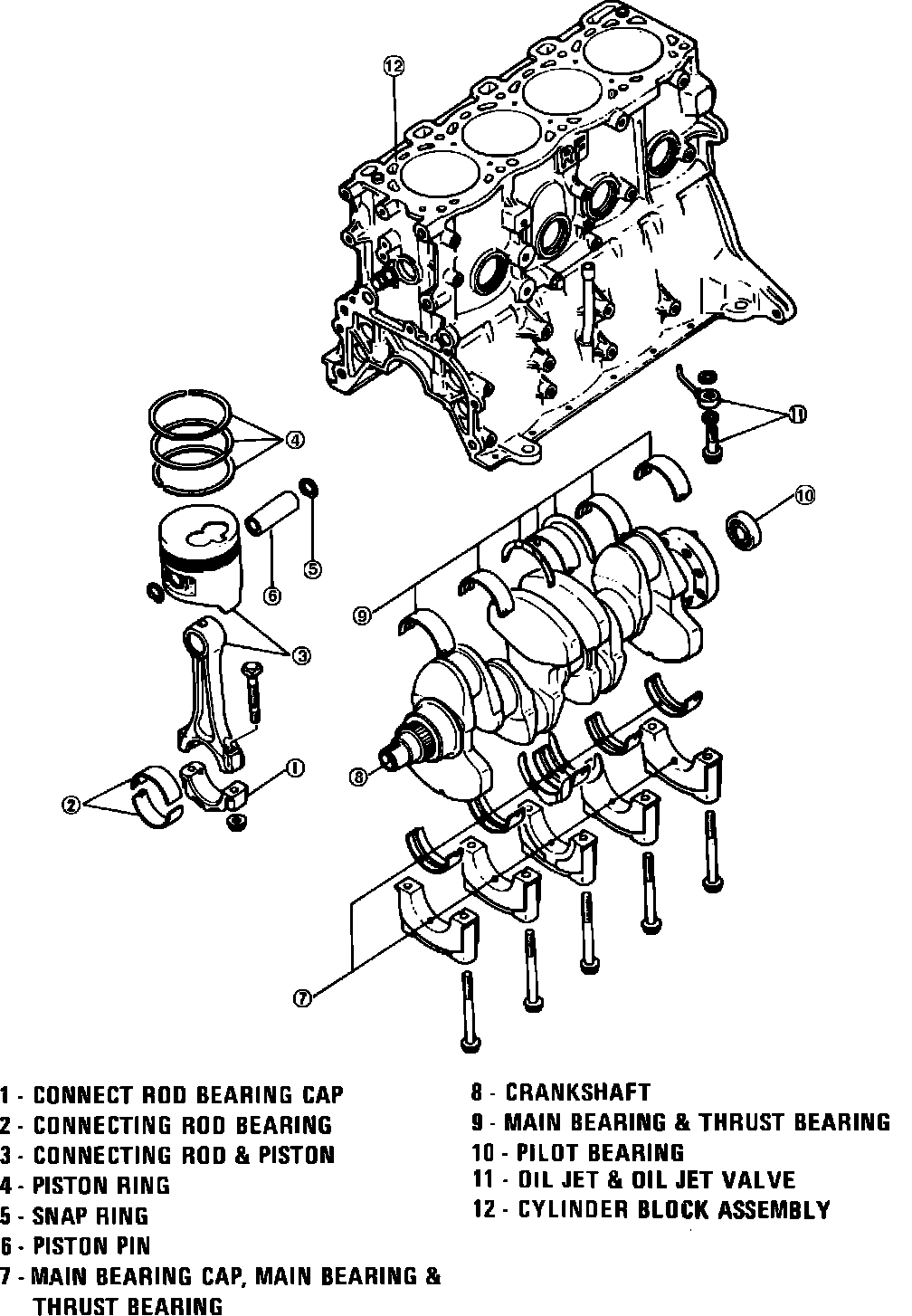
Fig. 12 Exploded view of crankshaft & cylinder block assembly:





CRANKSHAFT & PISTONS

1. Remove connecting rod bearing caps, Fig. 12.
2. Remove piston assembly from engine block.
3. Remove connecting rod bearings.
4. Disassemble piston and connecting rod assembly into following components:
a. Snap rings.
b. Piston pins.
c. Connecting rod.
d. Piston.
e. Piston rings.
5. Remove main bearing caps.
6. Remove crankshaft.
7. Remove main bearings and thrust bearings.
8. Using needle bearing puller 49 1285 071 or equivalent, remove pilot bearing from crankshaft end.
9. Remove oil jets and oil jet valves.