Operation CHARM: Car repair manuals for everyone.
Manuals through 2025 now available!

Our trusted friends have launched a new website named LEMON, which has newer manuals. It also contains all the CHARM manuals.

LEMON is the spiritual successor to CHARM, I recommend you try it!

Link: lemon-manuals.la or lemon-manuals.org.ua

(Some people have issue connecting. LEMON is investigating. For now, use Firefox or change your DNS server)

Or, hide this message: temporarily or permanently

Differential Assembly: Service and Repair

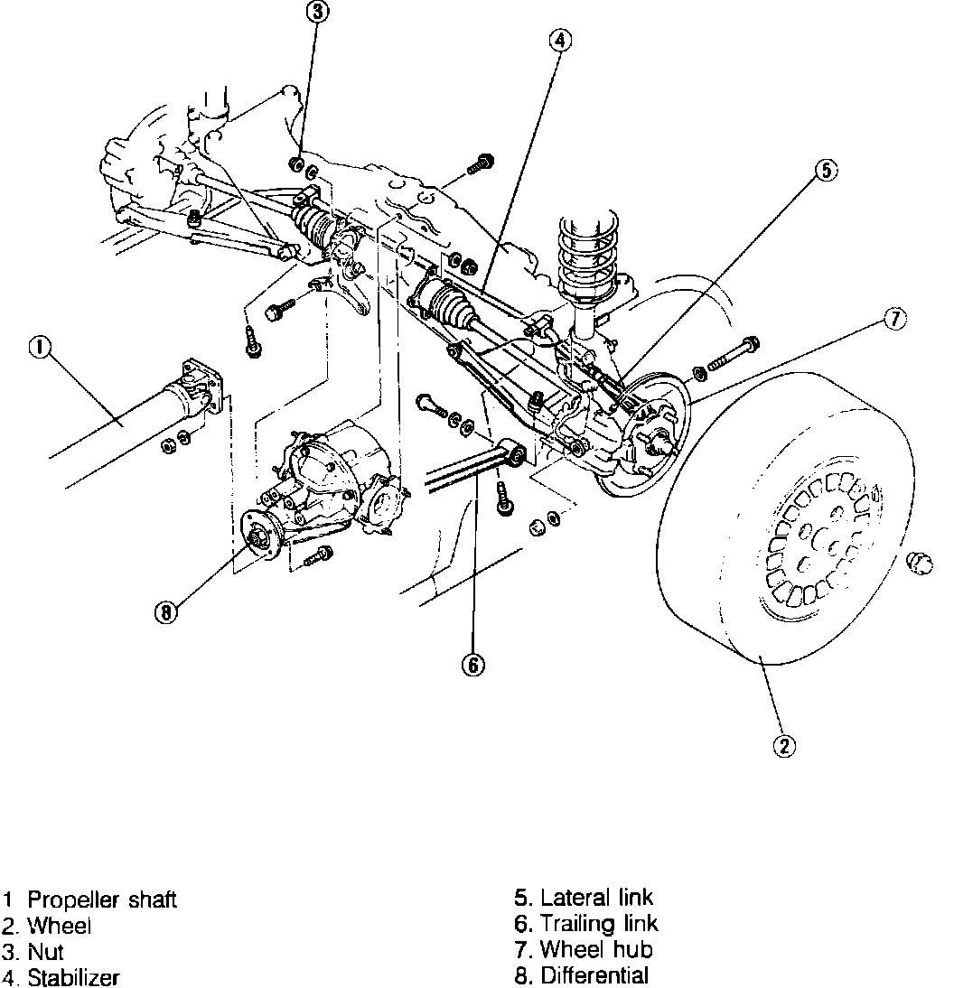
Fig. 4 Exploded view of rear differential & related components:





REMOVAL

1. Raise and support vehicle and drain differential gear oil.
2. Remove propeller shaft, Fig. 4, as previously described.
3. Remove rear wheels.
4. Scribe alignment marks on output shaft and driveshaft, then remove nut (3), Fig. 4.
5. Remove stabilizer from crossmember. Never remove both ends of stabilizer.
6. Remove lateral link. Be careful when disconnecting bolt and nut, as lateral link may be under tension.
7. Remove trailing link.
8. Pull wheel hub out and separate driveshaft from output shaft.
9. Support differential assembly with suitable jack and remove assembly.

INSTALLATION

1. Install differential assembly, torquing front bolt to 33-50 ft.lbs. and rear bolt to 80-97 ft.lbs.
2. Align mating marks on driveshaft and output shaft, then install driveshaft, torquing bolts to 36-43 ft.lbs.
3. Install lateral link, torquing bolt to 46-55 ft.lbs.
4. Install trailing link, torquing to 69-86 ft.lbs.
5. Install stabilizer, torquing to 9-13 ft.lbs.
6. Install propeller shaft, torquing attaching nuts to 20-22 ft.lbs.
7. Install wheels, torquing lug nuts to 65-87 ft.lbs.
8. Fill rear differential to capacity, then torque fill plug to 29-40 ft.lbs.