Operation CHARM: Car repair manuals for everyone.
Manuals through 2025 now available!

Our trusted friends have launched a new website named LEMON, which has newer manuals. It also contains all the CHARM manuals.

LEMON is the spiritual successor to CHARM, I recommend you try it!

Link: lemon-manuals.la or lemon-manuals.org.ua

(Some people have issue connecting. LEMON is investigating. For now, use Firefox or change your DNS server)

Or, hide this message: temporarily or permanently

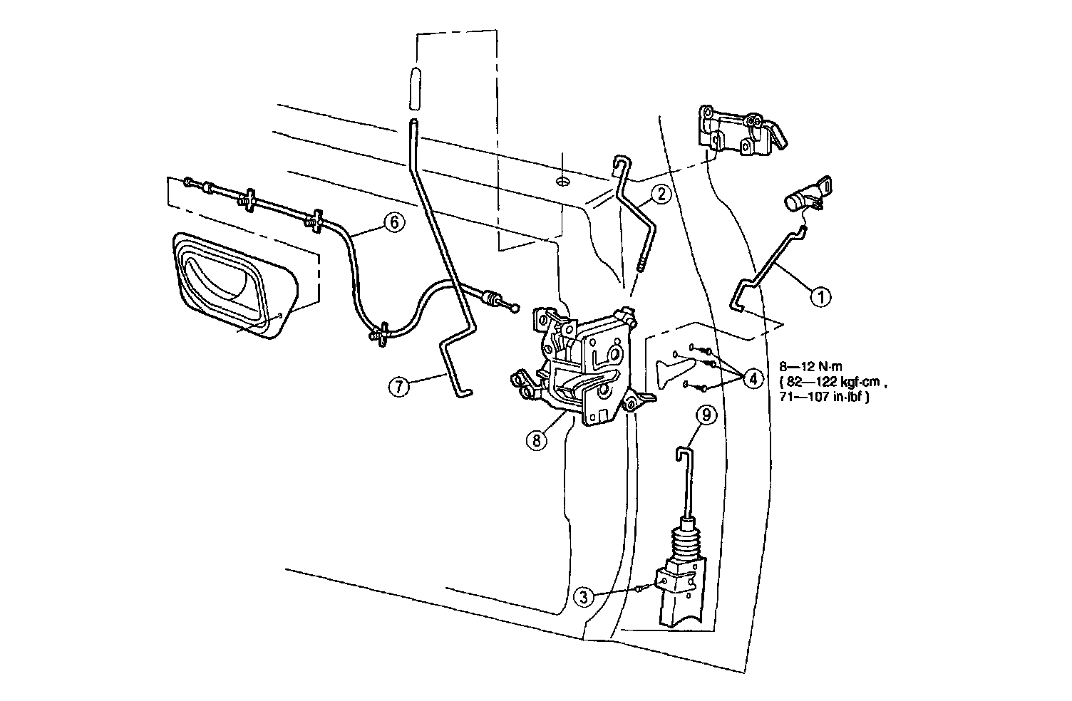
Power Locks: Service and Repair



1. Disconnect the negative battery cable.
2. Remove the front door trim panel.
3. Remove the watershield.
4. Remove the center door glass run retainer.




1. Lock cylinder rod
2. Outside door handle rod
3. Rivet
4. Screws
5. Electrical connectors (not shown)
6. Inside door handle cable
7. Inner lock rod
8. Door lock
9. Power door lock actuator (if equipped)

Electrical Connector Removal Note

1. Disconnect the front door ajar warning switch and power door lock actuator connector, if equipped.
2. Position the door lock aside.




Inside Door Handle Cable Removal Note
1. Remove the inside door handle cable watershield.
2. Remove the cable conduit (2) from the door lock.
3. Disconnect cable (3) from the door lock.