Operation CHARM: Car repair manuals for everyone.
Manuals through 2025 now available!

Our trusted friends have launched a new website named LEMON, which has newer manuals. It also contains all the CHARM manuals.

LEMON is the spiritual successor to CHARM, I recommend you try it!

Link: lemon-manuals.la or lemon-manuals.org.ua

(Some people have issue connecting. LEMON is investigating. For now, use Firefox or change your DNS server)

Or, hide this message: temporarily or permanently

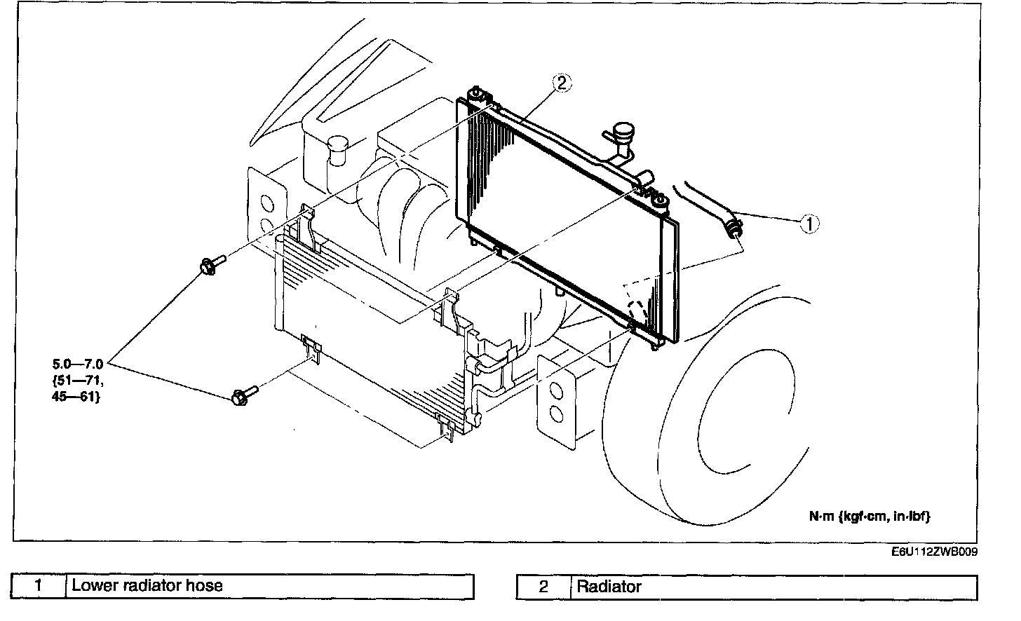
Procedures

RADIATOR REMOVAL/INSTALLATION [L-3 WITH TC]





Warning:
^ Remove and install all parts when the engine is cold, otherwise they can cause severe burns or serious injury.


1. Disconnect the negative battery cable.
2. Drain the engine coolant.
3. Remove the air cleaner.
4. Remove the shroud panel.
5. Remove the cooling fan component.
6. Remove in the order indicated in the table.
7. Install in the reverse order of the removal.
8. Refill the engine coolant.
9. Inspect for engine coolant leakage.