Operation CHARM: Car repair manuals for everyone.
Manuals through 2025 now available!

Our trusted friends have launched a new website named LEMON, which has newer manuals. It also contains all the CHARM manuals.

LEMON is the spiritual successor to CHARM, I recommend you try it!

Link: lemon-manuals.la or lemon-manuals.org.ua

(Some people have issue connecting. LEMON is investigating. For now, use Firefox or change your DNS server)

Or, hide this message: temporarily or permanently

Removal and Replacement

ENGINE REMOVAL/INSTALLATION [L3 WITH TC]

Warning:
- Fuel vapor is hazardous. It can very easily ignite, causing death, serious injury, or damage. Always keep sparks and flames away from fuel.
- Fuel line spills and leakage from the pressurized fuel system are dangerous. Fuel can easily ignite and cause serious injury or death and damage. Fuel can also irritate skin and eyes. To prevent this, always perform the Fuel Line Safety Procedure.


Note:
- The engine and manual transaxle component shall be installed or removed from the upper side of the vehicle.

1. Remove the battery.
2. Remove the battery tray.
3. Remove the battery bracket.
4. Remove the charge air cooler.
5. Remove the shroud panel.
6. Remove the cooling fan component.
7. Remove the radiator.
8. Drain the transaxle oil.
9. Remove the P/S oil pump with the oil hoses and pipes still connected.

Note:
- Position and secure the P/S oil pump out of the way with a rope.

10. Remove the A/C compressor with the pipes still connected.

Note:
- Position and secure the A/C compressor out of the way with rope or wire.

11. Disconnect the front drive shaft (RH) from the joint shaft side.
12. Disconnect the front drive shaft (LH) from the transaxle side.
13. Remove the propeller shaft.
14. Remove the air cleaner, intake air duct, and vacuum hose.
15. Disconnect the shift cable and selector cable from the transaxle side.
16. Remove the clutch release cylinder with the pipes still connected.
17. Disconnect the vacuum hose and the heater hose.
18. Disconnect the wiring harnesses.
19. Remove the TWC.
20. Remove the front pipe.
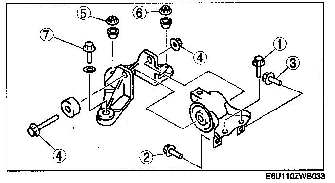
21. Remove in the order indicated in the figure.
22. Install in the reverse order of removal.
23. Start the engine, and inspect and adjust the following:
- Bleed the air from the cooling system.
- Runout and contact on pulley and belt
- Leakage of engine oil, engine coolant, automatic transmission fluid, or fuel.
- Ignition timing, idle speed and idle mixture (CO and HC)
- Engine accessories operation
24. Perform a road test and verify that there is no abnormal vibration or noise.





No.1 Engine Mount Rubber Removal Note
1. Remove through-bolt A on the No.1 engine mount bracket side from the underside of the vehicle.





2. Loosen through-bolt B on the crossmember side until approximately three pitches remain.

Note:
- Do not remove the No.1 engine mount rubber from the crossmember.





No.4 Engine Mount Bracket, No.4 Engine Mount Rubber Removal Note





1. Install the SST using the following procedure.

Caution:
- Refer to the SST instruction manual for the basic handing procedure.






(1) Install the right rear shaft of the SST to the bolt of the right shock absorber as shown in the figure.
(2) Install the left rear shaft of the SST to the bolt of the left shock absorber. (identical position to the right side)

Caution:
- When setting the SST on the right side, make sure it doesn't interfere with the DSC HU/CM.






(3) Install the left/right front shaft of the SST with front foot No.2 to the bolt as shown in the figure.
(4) Adjust the positions of the SST side bars so that they are the same height (left and right) and horizontal.
(5) Make sure each joint is securely tightened.





2. Support the engine using the SST.

Note:
- The SST (49 E017 5AO) can be used in place of the SST (49 C017 5AO).





3. Secure the engine and transaxle using an engine jack and attachment.





4. Remove the SST.





5. Secure the engine using a hoist.

No.3 Engine Joint Bracket Installation Note





1. Secure the engine and transaxle using an engine jack and attachment.
2. Install the SST using the following procedure.

Caution:
- Refer to the SST instruction manual for the basic handing procedure.










(1) Install the right rear shaft of the SST to the bolt of the right shock absorber as shown in the figure.
(2) Install the left rear shaft of the SST to the bolt of the left shock absorber. (identical position to the right side)

Caution:
- When setting the SST on the right side, make sure it doesn't interfere with the DSC HU/CM.






(3) Install the left/right front shaft of the SST with front foot No.2 to the bolt as shown in the figure.
(4) Adjust the positions of the SST side bars so that they are the same height (left and right) and horizontal.
(5) Make sure each joint is securely tightened.





3. Support the engine using the SST.

Note:
- The SST (49 E017 5AO) can be used in place of the SST (49 C017 5AO).





4. Tighten the No. 3 engine mount bracket stud bolt.

Tightening torque
7.0 - 13 Nm (71.4 - 132.5 kgf.cm, 62.0 - 115.0 in. lbf)





5. Tighten the No.3 engine joint bracket bolts and nuts in the order shown in the figure.

Tightening procedure
(1) Temporarily tighten (2).
(2) Completely tighten (1).
(3) Completely tighten (2).

Tightening torque
74.5 - 104.9 Nm (7.6 - 10.6 kgf.m, 55.0 - 76.6 ft. lbf)

No.4 Engine Mount Bracket, No.4 Engine Mount Rubber Installation Note





1. Tighten the No.4 engine mount bracket and No.4 engine mount rubber bolts and nuts in the order shown in the figure.

Tightening procedure
(1) Temporarily tighten (1).
(2) Align (2) in position and temporarily tighten.
(3) Completely tighten (1) from the front side.
(4) Completely tighten (2).
(5) Completely tighten (3).
(6) Temporarily tighten (4).
(7) Completely tighten in the order of (5), (6), (7).
(8) Completely tighten (4).


Tightening torque
(1) - (3) 50.6 - 68.5 Nm (5.2 - 6.9 kgf.m, 37.4 - 50.5 ft. lbf)
(4) 85.3 - 116.6 Nm (8.7 - 11.8 kgf.m, 63.0 - 85.9 ft. lbf)
(5) - (7) 66.6 - 93.1 Nm (6.80 - 9.49 kgf.m, 49.2 - 68.6 ft. lbf)





2. Secure the engine and transaxle using an engine jack and attachment.





3. Remove the hoist and secure the engine and transaxle using SST.
4. Remove the engine jack.

No.1 Engine Mount Bracket Installation Note
1. Tighten No.1 engine mount bracket bolt A.

Tightening torque
93.1 - 116.6 Nm (9.5 - 11.8 kgf.m, 68.7 - 85.9 ft. lbf)





2. Tighten No.1 engine mount bracket bolt B.

Tightening torque
93.1 - 116.6 Nm (9.5 - 11.8 kgf.m, 68.7 - 85.9 ft. lbf)

No.1 Engine Mount Rubber Installation Note
1. Remove through-bolt A on the No.1 engine mount bracket side.

Tightening torque
93.1 - 116.6 Nm (9.5 - 11.8 kgf.m, 68.7 - 85.9 ft. lbf)





2. Tighten through-bolt B on the crossmember side.

Tightening torque
93.1 - 116.6 Nm (9.5 - 11.8 kgf.m, 68.7 - 85.9 ft. lbf)