Operation CHARM: Car repair manuals for everyone.
Manuals through 2025 now available!

Our trusted friends have launched a new website named LEMON, which has newer manuals. It also contains all the CHARM manuals.

LEMON is the spiritual successor to CHARM, I recommend you try it!

Link: lemon-manuals.la or lemon-manuals.org.ua

(Some people have issue connecting. LEMON is investigating. For now, use Firefox or change your DNS server)

Or, hide this message: temporarily or permanently

[A65M-R]

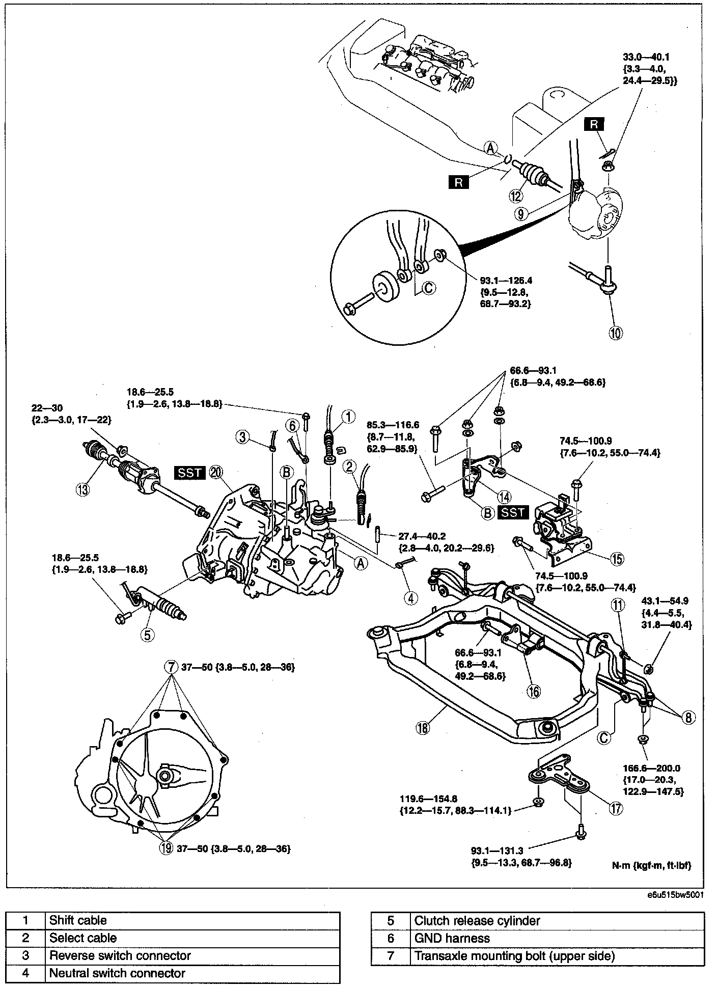
MANUAL TRANSAXLE REMOVAL/INSTALLATION [A65M-R]
1. Disconnect the negative battery cable.
2. Remove the battery and battery tray.
3. Remove the air cleaner component and air cleaner bracket.
4. Remove the starter.
5. Remove the front tires and splash shields.
6. Remove the under cover.
7. Remove the steering gear and linkage, and pipe assembly installation bolts from the front crossmember, then suspend the steering gear and linkage with a cable.

Tightening torque
Pipe assembly:
7.8 - 10.8 N-m (79.6 - 110.0 kgf-cm, 69.1 - 95.5 in-lbf)

8. Drain the transaxle oil into a suitable container.

Warning: Improperly jacking a transaxle is dangerous. It can slip off the jack and may cause serious injury.

9. Remove in the order indicated in the figure.
10. Install in the reverse order of removal.
11. Add the specified amount of specified transaxle oil.
12. Warm up the engine and transaxle, inspect for oil leakage, and inspect the transaxle operation.








No.4 Engine Mount Bracket Removal Note
1. Remove the ABS/TCS HU/CM connector.
2. Remove the dynamic chamber.





3. Using the bolts M12x1.25, length 25 mm (0.984 in) to Install the SST as shown (LH bank and RH bank).





Tightening torque 100 - 125 N-m (10.2 - 12.7 kgf-m, 73.8 - 92.1 ft-lbf)





4. Install the SST using the following procedure.

Caution: Refer to the SST instruction manual for the basic handing procedure.





(1) Install the right rear shaft of the SST to the bolt of the right shock absorber as shown in the figure.
(2) Install the left rear shaft of the SST to the bolt of the left shock absorber. (Identical position to the right side)

Caution: When setting the SST on the right side, make sure it doesn't interfere with the ABS/TCS HU/CM.





(3) Install the left/right front shaft of the SST with front foot No.2 to the bolt as shown in the figure.

* :If equipped

(4) Adjust the positions of the SST side bars so that they are the same height (left and right) and horizontal.
(5) Make sure each joint is securely tightened.





5. Support the engine using the SST.

Note: The SST (49 E017 5A0) can be used in place of the SST (49 CO 17 5A0).

6. Remove the No.4 engine mount bracket.

Manual Transaxle Removal Note





1. Remove the stud of the No.4 engine mount.
2. Lean the engine toward the transaxle.





3. Support the transaxle on a jack.
4. Remove the transaxle mounting bolts.
5. Remove the transaxle.

Manual Transaxle Installation Note





1. Set the transaxle on a jack and lift into place.
2. Install the transaxle mounting bolts.





3. Install the stud of the No.4 engine mount.

Tightening torque 27.4 - 40.2 N-m (2.8 - 4.0 kgf-m, 20.2 - 29.6 ft-lbf)

4. Adjust the SST (49 C017 5A0) so that the engine is located at the specified position.

No.1 Engine Mount Installation Note
1. Align the hole of the No.1 engine mount rubber with the bolt hole of transaxle.
2. Lightly tighten bolt A, then tighten bolts B and C.





3. Tighten bolt A.

Tightening torque 66.6 - 93.1 N-m (6.8 - 9.4 kgf-m, 49.2 - 68.6 ft-lbf)

No.4 Engine Mount Installation Note
1. Verify that the No.4 engine mount rubber is installed as shown.
2. Lightly tighten bolts A and B.
3. Align the installation hole on the contacted area of the front frame with the bolt C installation hole.
4. Tighten bolt A, then bolt B.





5. Tighten bolt C, then bolt D.

Tightening torque
A, B, C, D: 74.5 - 100.9 N-m (7.6 - 10.2 kgf-m, 55.0 - 74.4 ft-lbf)

6. Verify that the No.4 engine mount bracket is installed as shown.
7. Lightly tighten bolt E.





8. Set the transaxle on a garage jack and lift it.
9. Align the hole of the No.4 engine mount bracket with the stud bolts of transaxle.
10. Lightly tighten nut F, G and bolt H.
11. Tighten nuts F, G in order of F->G, then bolt H.





12. Tighten bolt E.

Tightening torque
E:
85.3 - 116.6 N-m (8.7 - 11.8 kgf-m, 63.0 - 85.9 ft-lbf)
F, G, H: 66.6 - 93.1 N-m (6.8 - 9.4 kgf-m, 49.2 - 68.6 ft-lbf)

13. Remove the SST (49 C017 5A0).

INSPECTION AFTER TRANSAXLE INSTALLATION [A65M-R]

Note: Perform the following inspection only when the transaxle has been overhauled.

1. Perform a road test and inspect the following items:
(1) No abnormal noise in each shift position.
(2) Smooth shift operation when shifting gears.
(3) No gear slipout after shifting gears.
(4) Back-up light switch operates correctly.