Operation CHARM: Car repair manuals for everyone.
Manuals through 2025 now available!

Our trusted friends have launched a new website named LEMON, which has newer manuals. It also contains all the CHARM manuals.

LEMON is the spiritual successor to CHARM, I recommend you try it!

Link: lemon-manuals.la or lemon-manuals.org.ua

(Some people have issue connecting. LEMON is investigating. For now, use Firefox or change your DNS server)

Or, hide this message: temporarily or permanently

Power Window Main Switch

POWER WINDOW MAIN SWITCH INSPECTION

NOTE: Before proceeding with diagnosis of malfunctioning power windows, ensure the POWER WINDOW INITIALIZATION PROCEDURE has been performed.

Driver's Side

Terminal Voltage List - Terminals (1C-1K):




Terminal Voltage List - Terminals (1M - 2D):




1. Measure the voltage at each terminal (other than terminals 1M and 2A).
- If the voltage is not as specified in the Terminal Voltage Table, inspect the parts under "Inspection item(s)" and related wiring harnesses.
2. Disconnect the negative battery cable.
3. Inspect the power window main switch connector for continuity at terminal 1 M and 2A.
4. If the system does not work properly even though the inspection items or related wiring harnesses do not have any malfunction, replace the power window main switch.

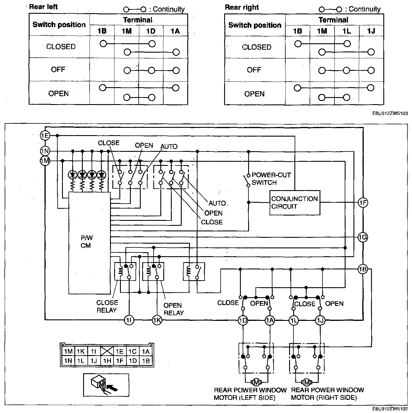
Rear Side
1. Remove the power window main switch.




2. When inspecting the rear, turn the power-cut switch UNLOCK.
3. Inspect for continuity between the power window main switch terminals.
- If not as specified, replace the power window main switch.