Operation CHARM: Car repair manuals for everyone.
Manuals through 2025 now available!

Our trusted friends have launched a new website named LEMON, which has newer manuals. It also contains all the CHARM manuals.

LEMON is the spiritual successor to CHARM, I recommend you try it!

Link: lemon-manuals.la or lemon-manuals.org.ua

(Some people have issue connecting. LEMON is investigating. For now, use Firefox or change your DNS server)

Or, hide this message: temporarily or permanently

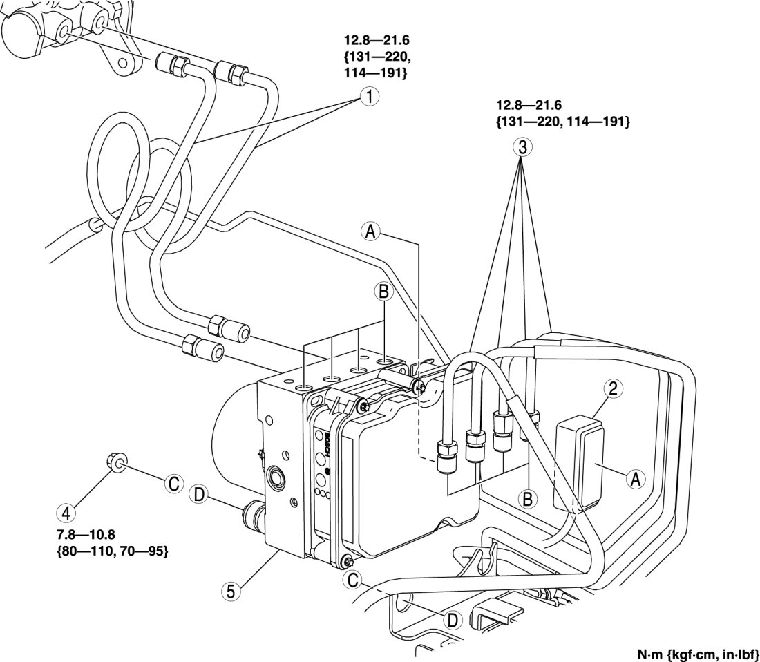
Antilock Brakes / Traction Control Systems: Service and Repair




DSC HU/CM REMOVAL/INSTALLATION

CAUTION:
- The DSC may not function normally when the DSC HU/CM is replaced. After installation, always perform the initialization procedures for the DSC HU/CM, combined sensor and the steering angle sensor. Programming and Relearning Testing and Inspection
- The internal parts of the DSC HU/CM could be damaged if dropped. Be careful not to drop the DSC HU/CM. Replace the DSC HU/CM if it is subjected to an impact.

1. Remove the battery and battery tray. Removal and Replacement

2. Remove the battery tray bracket as shown in the figure.






3. Remove in the order indicated in the table.

4. Install in the reverse order of removal.

5. After installation, add brake fluid, bleed the air, and inspect for fluid leakage. Service and Repair

6. After installation, perform the combined sensor initialization procedure. Programming and Relearning

7. After installation, perform the steering angle sensor initialization procedure. Testing and Inspection










DSC HU/CM Connector Removal Note

1. Pull the lock lever up in the direction of the arrow.






2. Pull the connector toward the vehicle rear and remove it.

Brake Pipe Removal Note

1. Place an alignment mark on the brake pipe and DSC HU/CM.






2. Apply protective tape to the connector to prevent brake fluid from entering.

3. Remove the brake pipe.

DSC HU/CM Installation Note

1. Install the rubber mount on DSC HU/CM section A to the bracket as shown in the figure.






2. Install DSC HU/CM section B to the bracket.

3. Install the nuts to DSC HU/CM section A and tighten them.

Brake Pipe Installation Note

1. Align the marks made before removal and install the brake pipe to the DSC HU/CM and brake pipe joint referring to the figure.






2. Tighten the brake pipe to the specified torque using the commercially available flare nut wrench.

DSC HU/CM Connector Installation Note

1. After connecting the connector, verify that the lock lever is completely pushed in.