Operation CHARM: Car repair manuals for everyone.
Manuals through 2025 now available!

Our trusted friends have launched a new website named LEMON, which has newer manuals. It also contains all the CHARM manuals.

LEMON is the spiritual successor to CHARM, I recommend you try it!

Link: lemon-manuals.la or lemon-manuals.org.ua

(Some people have issue connecting. LEMON is investigating. For now, use Firefox or change your DNS server)

Or, hide this message: temporarily or permanently

Power Transistor HVAC: Testing and Inspection




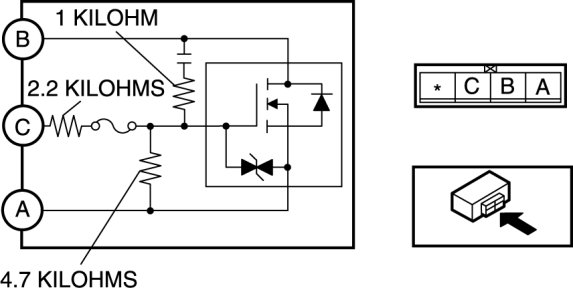
POWER METAL OXIDE SEMICONDUCTOR FIELD EFFECT TRANSISTOR (POWER MOS FET) INSPECTION

1. Verify that the continuity between the power MOS FET terminals is as indicated in the table.

- If there is any malfunction, replace the power MOS FET.
- If the blower motor operation is not normal even though no malfunction can be verified, inspect the climate control unit. Climate Control Unit Inspection [Full-Auto Air Conditioner]