Operation CHARM: Car repair manuals for everyone.
Manuals through 2025 now available!

Our trusted friends have launched a new website named LEMON, which has newer manuals. It also contains all the CHARM manuals.

LEMON is the spiritual successor to CHARM, I recommend you try it!

Link: lemon-manuals.la or lemon-manuals.org.ua

(Some people have issue connecting. LEMON is investigating. For now, use Firefox or change your DNS server)

Or, hide this message: temporarily or permanently

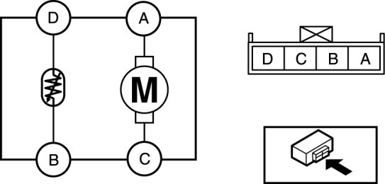
Cabin Temperature Sensor / Switch: Testing and Inspection




PASSENGER COMPARTMENT TEMPERATURE SENSOR INSPECTION [FULL-AUTO AIR CONDITIONER]

1. Measure the temperature around the passenger compartment temperature sensor and measure the resistance between passenger compartment temperature sensor terminal.

- If the characteristics of the passenger compartment temperature sensor are not as shown in the graph, replace the passenger compartment temperature sensor.






2. Connect battery positive voltage to passenger compartment temperature sensor terminal A, ground to terminal C, and then verify that the fan operation.

- If there is any malfunction, replace the passenger compartment temperature sensor.