Operation CHARM: Car repair manuals for everyone.
Manuals through 2025 now available!

Our trusted friends have launched a new website named LEMON, which has newer manuals. It also contains all the CHARM manuals.

LEMON is the spiritual successor to CHARM, I recommend you try it!

Link: lemon-manuals.la or lemon-manuals.org.ua

(Some people have issue connecting. LEMON is investigating. For now, use Firefox or change your DNS server)

Or, hide this message: temporarily or permanently

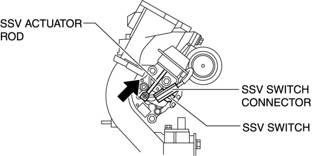
Secondary Shutter Valve (SSV) Switch Inspection




SECONDARY SHUTTER VALVE (SSV) SWITCH INSPECTION [13B-MSP]

NOTE:
- Before performing the following inspection, make sure to follow the troubleshooting flowchart. Foreword

Continuity Inspection

1. Verify that the continuity between SSV switch terminals A and B is as indicated in the table.






- If there is no malfunction, perform the "Circuit Open/Short Inspection".
- If there is any malfunction, replace the SSV switch. Secondary Shutter Valve (SSV) Switch Removal/Installation





Circuit Open/Short Inspection

1. Disconnect the PCM connector.

2. Disconnect the SSV switch connector.

3. Inspect the following wiring harnesses for open or short circuit. (Continuity inspection)






Open circuit

- If there is no continuity in the following wiring harnesses, there is an open circuit. Repair or replace the wiring harness.

- SSV switch terminal A and PCM terminal 2AE
- SSV switch terminal B and body ground

Short circuit

- If there is continuity in the following wiring harnesses, there is a short circuit. Repair or replace the wiring harness.

- SSV switch terminal A and body ground
- SSV switch terminal A and power supply