Operation CHARM: Car repair manuals for everyone.
Manuals through 2025 now available!

Our trusted friends have launched a new website named LEMON, which has newer manuals. It also contains all the CHARM manuals.

LEMON is the spiritual successor to CHARM, I recommend you try it!

Link: lemon-manuals.la or lemon-manuals.org.ua

(Some people have issue connecting. LEMON is investigating. For now, use Firefox or change your DNS server)

Or, hide this message: temporarily or permanently

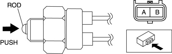
Neutral Safety Switch: Testing and Inspection




NEUTRAL SWITCH INSPECTION [13B-MSP]

NOTE:
- Before performing the following inspection, make sure to follow the troubleshooting flowchart. Foreword

Continuity Inspection

1. Remove the battery cover. Removal and Replacement

2. Disconnect the negative battery cable.

3. Remove the neutral switch. Service and Repair

4. Verify that the continuity between neutral switch terminals A and B is as indicated in the table.






- If there is no malfunction, perform the "Circuit Open/Short Inspection".
- If there is any malfunction, replace the neutral switch. Service and Repair





Circuit Open/Short Inspection

1. Disconnect the PCM connector.

2. Disconnect the neutral switch connector.

3. Inspect the following wiring harnesses for open or short circuit. (Continuity inspection)






Open circuit

- If there is no continuity in the following wiring harnesses, there is an open circuit. Repair or replace the wiring harness.

- Neutral switch terminal A and PCM terminal 2AS
- Neutral switch terminal B and body ground

Short circuit

- If there is continuity in the following wiring harnesses, there is a short circuit. Repair or replace the wiring harness.

- Neutral switch terminal A and body ground
- Neutral switch terminal A and power supply