Operation CHARM: Car repair manuals for everyone.
Manuals through 2025 now available!

Our trusted friends have launched a new website named LEMON, which has newer manuals. It also contains all the CHARM manuals.

LEMON is the spiritual successor to CHARM, I recommend you try it!

Link: lemon-manuals.la or lemon-manuals.org.ua

(Some people have issue connecting. LEMON is investigating. For now, use Firefox or change your DNS server)

Or, hide this message: temporarily or permanently

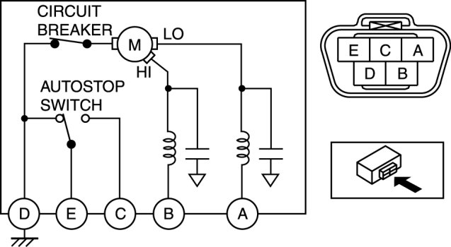
Wiper Motor: Testing and Inspection




WINDSHIELD WIPER MOTOR INSPECTION

1. Disconnect the windshield wiper motor connector.

2. Connect battery positive voltage to windshield wiper motor terminal A or B, and ground to terminal D, then verify that the windshield wipers operate as shown in the table.






- If the windshield wipers do not operate as indicated in the table, replace the windshield wiper motor.






3. Operate the wipers, disconnect battery positive voltage from terminal B, and then verify that the wipers stop.

4. Connect windshield wiper motor terminals E and A, and apply battery positive voltage to terminal C.

5. Operate the wipers at low speed, and verify that they stop in the park position.

- If there is any malfunction, replace the windshield wiper motor.