Operation CHARM: Car repair manuals for everyone.
Manuals through 2025 now available!

Our trusted friends have launched a new website named LEMON, which has newer manuals. It also contains all the CHARM manuals.

LEMON is the spiritual successor to CHARM, I recommend you try it!

Link: lemon-manuals.la or lemon-manuals.org.ua

(Some people have issue connecting. LEMON is investigating. For now, use Firefox or change your DNS server)

Or, hide this message: temporarily or permanently

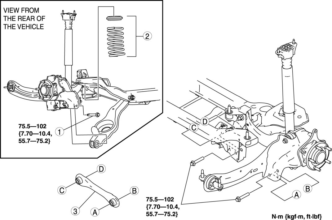
Lateral Stabilizer Rod: Service and Repair




REAR LATERAL LINK REMOVAL/INSTALLATION

1. Remove the rear stabilizer. Rear Stabilizer Removal/Installation

2. Remove in the order indicated in the table.

3. Install in the reverse order of removal.

4. Inspect the wheel alignment and adjust it if necessary. Rear Wheel Alignment










Rear Lower Arm Outer Bolt Removal Note

1. Support the rear lower arm using a jack.






2. Loosen the rear lower arm inner bolt.

3. Remove the rear lower arm outer bolt.

Rear Lateral Link Installation Note

1. Install the rear lateral link with "FRONT" facing the vehicle front and the painted mark facing the inside of the vehicle.