Operation CHARM: Car repair manuals for everyone.
Manuals through 2025 now available!

Our trusted friends have launched a new website named LEMON, which has newer manuals. It also contains all the CHARM manuals.

LEMON is the spiritual successor to CHARM, I recommend you try it!

Link: lemon-manuals.la or lemon-manuals.org.ua

(Some people have issue connecting. LEMON is investigating. For now, use Firefox or change your DNS server)

Or, hide this message: temporarily or permanently

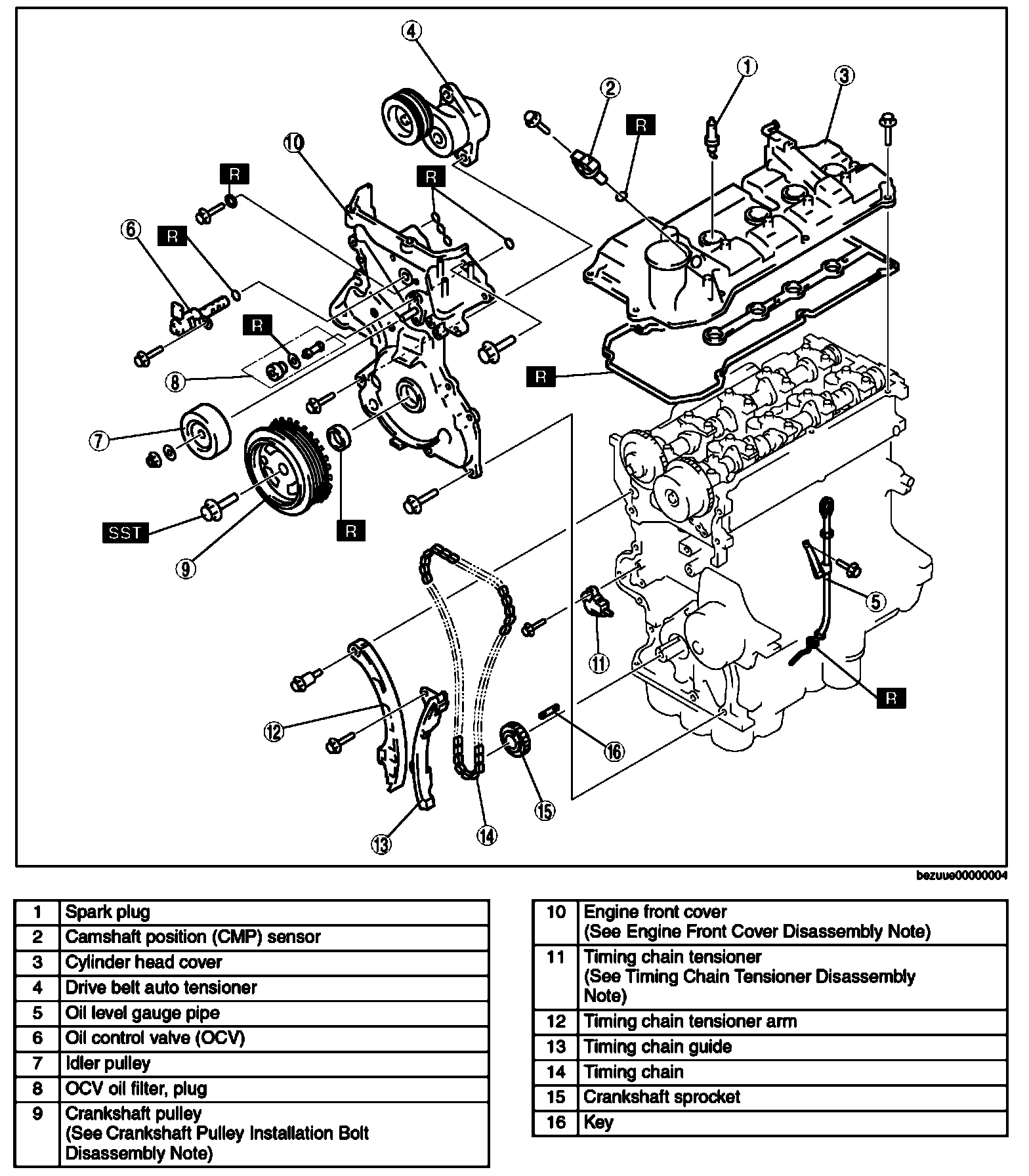
Timing Chain Disassembly

TIMING CHAIN DISASSEMBLY

1. Disassemble in the order indicated in the table.






Crankshaft Pulley Installation Bolt Disassembly Note




1. Lock the drive plate (ATX) or flywheel (MTX) against rotation using the SST.
2. Remove the crankshaft pulley installation bolt.

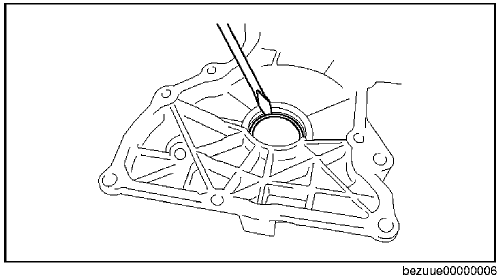
Engine Front Cover Disassembly Note




1. Remove the oil seal using a flathead screwdriver.

Timing Chain Tensioner Disassembly Note




1. Push down the link plate of the timing chain tensioner using a thin flathead screwdriver (precision screwdriver) and release the plunger lock.




2. Push back the plunger slowly in the direction shown in the figure with the link plate still pushed down.
3. Free the link plate with the plunger still pushed.




4. Move the plunger back and forth 2-3 mm {0.08-0.11 in} and insert an approx. 1.5 mm {0.059 in} wire or paper clip where the link plate hole and the tensioner body hole overlap to fix the link plate and lock the plunger.