Operation CHARM: Car repair manuals for everyone.
Manuals through 2025 now available!

Our trusted friends have launched a new website named LEMON, which has newer manuals. It also contains all the CHARM manuals.

LEMON is the spiritual successor to CHARM, I recommend you try it!

Link: lemon-manuals.la or lemon-manuals.org.ua

(Some people have issue connecting. LEMON is investigating. For now, use Firefox or change your DNS server)

Or, hide this message: temporarily or permanently

Procedures




B1 BRAKE PISTON COVER REMOVAL/INSTALLATION [AY6A-EL]

1. Drain the ATF. Automatic Transaxle Fluid (ATF) Replacement

2. Remove the transaxle. Automatic Transaxle Removal/Installation

3. Remove the TCM.






CAUTION:
- Do not touch the terminals.






4. Inspect the condition of the connector pin of the coupler component (foreign material, bent pins, broken pins) and O-ring after the TCM is removed.






5. Remove the O-ring from the coupler component.






6. Clean the transaxle. Transmission/Transaxle

7. Remove the torque converter. Service and Repair

8. Remove the stud bolts.






9. Set the SSTs as shown in the figure.






CAUTION:
- When installing the SST to the transaxle, use bolts (M12x1.25) with a thread length of 90 mm {3.5 in}.

10. Install the SST to the position where the transaxle stud bolts were removed.






11. Remove the oil pipe component and O-rings.






12. Refer to the "Automatic Transaxle Disassembly/assembly Precaution" before disassembling/assembling the transaxle. Automatic Transaxle Disassembly/Assembly Precaution

13. Remove the control valve body cover.






14. Using a plastic hammer, tap the control valve body cover to remove it.






CAUTION:
- Do not damage the fitting surface of the transaxle case and the control valve body cover.
- Do not deform the control valve body cover.

NOTE:
- Disconnect the solenoid connector according to the following procedure:

- Insert a precision flathead screwdriver from the backside into the connector as shown in the figure.






CAUTION:
- Do not damage the solenoid valves and connectors with the flathead screwdriver.

- Pry the flathead screwdriver in the direction of the arrow and disconnect the connector.






CAUTION:
- When disconnecting connectors, grasp the connectors, not the wiring harnesses. Otherwise, the wiring harnesses may be pulled out of the connector causing poor contact.

15. Disconnect the solenoid connectors, VSS connector and the input/turbine speed sensor connector.






16. Disconnect the coupler component from the clamp.






17. Remove the lock plate, and pull out the TFT sensor from the control valve body.






18. Remove the VSS connector from the solenoid clamp.






19. Remove the suction cover and the gasket.






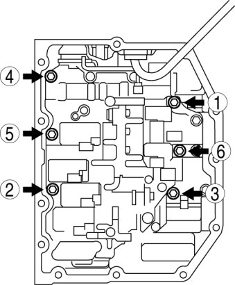
20. Remove the control valve body installation bolts in the order shown in the figure.






21. Disconnect the manual valve link and remove the control valve body component.






CAUTION:
- Do not drop the control valve body component.

22. Fix the coupler component with tape to the transaxle case as shown in the figure.






NOTE:
- Be sure to secure the coupler component with tape so that it will not interfere with the control valve body component.

23. Fix the VSS wiring harness with tape to the transaxle case as shown in the figure.






NOTE:
- Be sure to secure the VSS with tape so that they will not interfere with the control valve body component.

24. Remove the converter housing. Converter Housing Removal/Installation

25. Remove the oil pump component and oil strainer as a single unit. Removal and Replacement

26. Remove the C3 clutch component, front planetary gear component and input shaft.






NOTE:
- In some cases, the input shaft may be detached with the thrust bearing attached.

27. Remove the C3 clutch component from the front planetary gear component and input shaft.






NOTE:
- In some cases, the C3 clutch component may be detached with the thrust washer attached.

28. Remove the brake band anchor bolt.






29. Remove the B1 brake band.






30. Affix the brake piston cover using the SST.






31. Remove the snap ring using snap ring pliers.






CAUTION:
- The brake piston cover will fly off due to the force of the piston return spring.

32. Remove the brake piston cover, B1 brake piston and the piston return spring.






CAUTION:
- Do not drop the brake piston cover.
- Do not drop the B1 brake piston.

33. Remove the O-rings from the brake piston cover.






34. Install the front planetary gear component and input shaft to the transaxle case.






CAUTION:
- If the input shaft is not hold during installation, the thrust washer might be come off.

NOTE:
- Align the spline of the C1 clutch component before installing the front planetary gear component and input shaft.
- Hold the C1 clutch component and install the front planetary gear component while holding the input shaft.

35. Apply ATF to the bushing of the C3 clutch component.

36. Install the C3 clutch component to the transaxle case.






NOTE:
- Before installing the C3 clutch component, align the spline of the C3 clutch component and the spline of the sun gear input drum.

NOTE:
- Install the C3 clutch component so that it engages with the sun gear input drum as shown in the figure.






37. Install the B1 brake band to the transaxle case.






38. Install the brake band anchor bolt to the transaxle case.






Tightening torque
- 134-199 Nm {14-20 kgf-m, 99-146 ft-lbf}

39. Apply ATF to the new O-rings.

40. Install the O-rings to the brake piston cover.






41. Install the piston return spring, B1 brake piston and the brake piston cover to the transaxle case.






42. Press the brake piston cover into the position where the snap ring groove is visible using the SST.






43. Install the snap ring using snap ring pliers.






44. Install the oil pump component and oil strainer as a single unit. Removal and Replacement

45. Install the converter housing. Converter Housing Removal/Installation

46. Connect the manual valve link and install the control valve body component.






CAUTION:
- When installing the control valve body component, secure the coupler component to the wiring harness clamp.
- Do not pinch the coupler component between the transaxle case and the control valve body component.

47. Temporarily install the control valve body component with the bolts.






NOTE:
- Aligning the bolt holes, temporarily tighten the bolt by hand.

Bolt length (measured from below the head)
- A: 21 mm {0.83 in}
- B: 31 mm {1.2 in}

48. Temporarily install the suction cover and a new gasket with the bolts.






NOTE:
- Aligning the bolt holes, temporarily tighten the bolt by hand.

49. Tighten the bolts in the order shown in the figure.






Tightening torque
- 8-12 Nm {82-122 kgf-cm, 71-106 in-lbf}

50. Install the connector of the VSS to the solenoid clamp.






51. Install the TFT sensor with the lock plate and a bolt to the control valve body component as shown in the figure.






Tightening torque
- 6.0-8.0 Nm {62-81 kgf-cm, 54-70 in-lbf}

52. Connect the solenoid connectors, VSS connector and the input/turbine speed sensor connector.






53. Connect the coupler component to the clamps.






54. Clean sealant and oil off the contact surface of the transaxle case with the control valve body cover and the bolt holes.






NOTE:
- Completely remove sealant and oil with white gasoline or similar.

55. Clean oil off the contact surface of the new control valve body cover with the transaxle case.

56. Apply sealant to the new control valve body cover as shown in the figure.






57. Install the new control valve body cover with new seal bolts before the applied sealant starts to harden.






CAUTION:
- Be careful that the coupler component will not become caught between the control valve body cover and transaxle case.

Tightening torque
- 10-15 Nm {102-152 kgf-cm, 89-132 in-lbf}

58. Install the oil pipe component and O-rings.






59. Install a new O-ring to the coupler component.






CAUTION:
- Do not apply ATF to the O-ring.

60. Align the transaxle case and coupler component connector.






61. Be sure to match the position of the TCM marking.






CAUTION:
- Do not turn more than 60° from the marking.

62. Install the TCM.

63. Verify the correct positioning of the TCM and coupler component.






64. Tighten the TCM installation bolts.






Tightening torque
- 20-29 Nm {2.1-2.9 kgf-m, 15-21 ft-lbf}

65. Remove the SSTs.






66. Install the stud bolts using double nutted.






CAUTION:
- Do not repair the threads using a tap or other tools.
- Do not damage the transaxle case.
- Do not overtighten the stud bolts. (The stud bolts should remain protruded from the end of the transaxle case more than 47 mm {1.9 in}.)
- If any of the stud bolts is overtightened, the transaxle case may be damaged (holes in the case may result).
- If the transaxle case is damaged, the transaxle must be replaced.

67. Remove the double nutted from the stud bolts.

68. Install the torque converter. Service and Repair

69. Install the transaxle. Automatic Transaxle Removal/Installation

70. Add ATF. Procedures

71. Perform the "Neutral Position Learning". Programming and Relearning

72. Adjust the ATF level. Procedures

73. Perform the "Mechanical System Test". Mechanical System Test

74. Perform the "Road Test". Road Test