Operation CHARM: Car repair manuals for everyone.
Manuals through 2025 now available!

Our trusted friends have launched a new website named LEMON, which has newer manuals. It also contains all the CHARM manuals.

LEMON is the spiritual successor to CHARM, I recommend you try it!

Link: lemon-manuals.la or lemon-manuals.org.ua

(Some people have issue connecting. LEMON is investigating. For now, use Firefox or change your DNS server)

Or, hide this message: temporarily or permanently

Windows

Diagram 0912-2a:




Connectors 0912-2a:




Routing View 0912-2a:






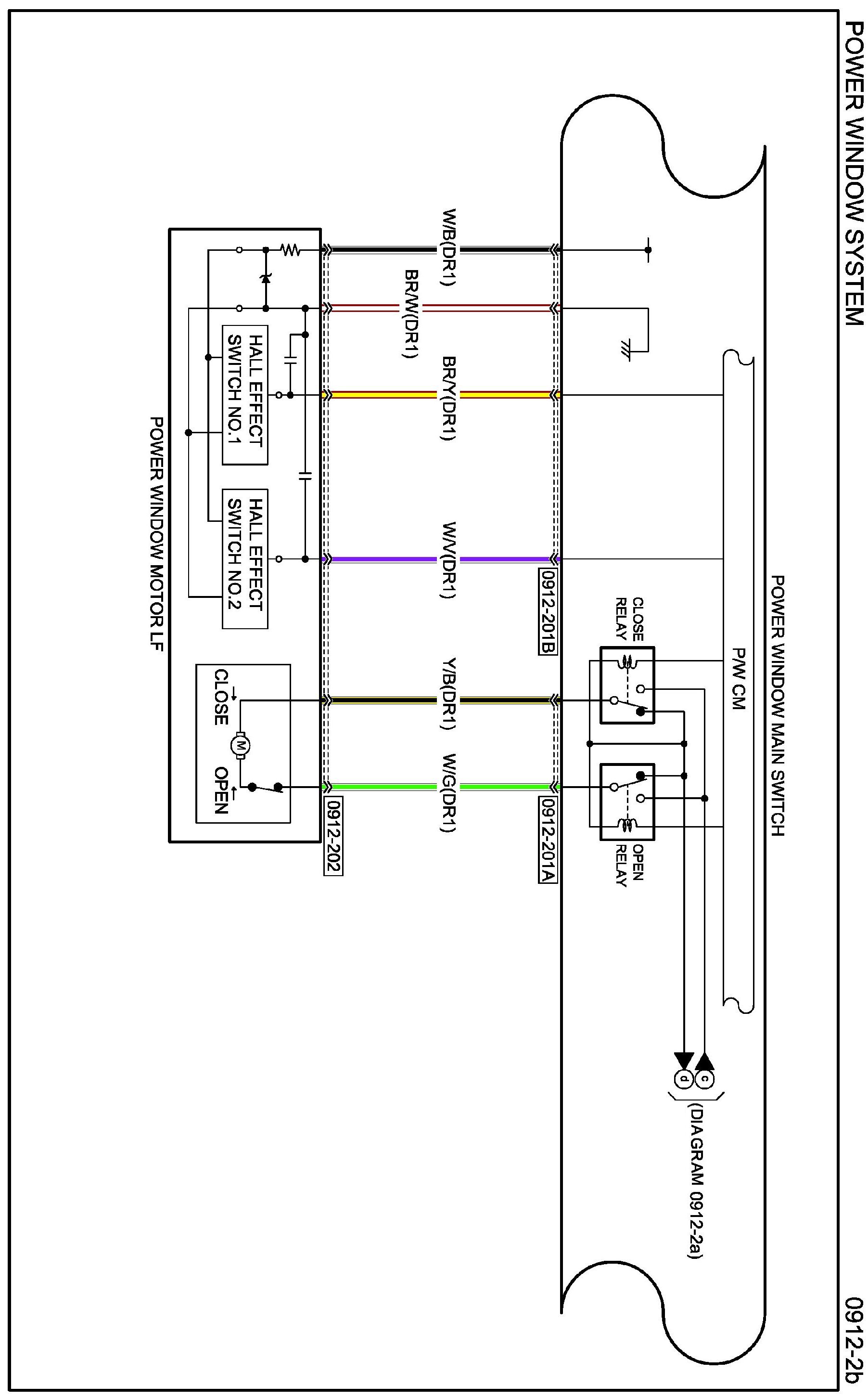
Diagram 0912-2b:




Connectors 0912-2b:




Routing View 0912-2b:






Diagram 0912-2c:




Connectors 0912-2c:




Routing View 0912-2c:






Diagram 0912-2d:




Connectors 0912-2d:




Routing View 0912-2d:






Diagrams: Other diagrams referred to by name within these diagrams can be found at Diagrams by Diagram Name. Diagrams By Diagram Name