Operation CHARM: Car repair manuals for everyone.
Manuals through 2025 now available!

Our trusted friends have launched a new website named LEMON, which has newer manuals. It also contains all the CHARM manuals.

LEMON is the spiritual successor to CHARM, I recommend you try it!

Link: lemon-manuals.la or lemon-manuals.org.ua

(Some people have issue connecting. LEMON is investigating. For now, use Firefox or change your DNS server)

Or, hide this message: temporarily or permanently

Cylinder Head Assembly: Service and Repair




CYLINDER HEAD GASKET REPLACEMENT [L3 WITH TC]

WARNING:
- Fuel vapor is hazardous. It can very easily ignite, causing death, serious injury, or damage. Always keep sparks and flames away from fuel.
- Fuel line spills and leakage from the pressurized fuel system are dangerous. Fuel can easily ignite and cause serious injury or death and damage. Fuel can also irritate skin and eyes. To prevent this, always perform the Fuel Line Safety Procedure. (See Before Service Precaution.)

1. Remove the timing chain. (See Service and Repair.)

2. Remove the generator. Removal and Replacement
NOTE:
- Place the generator out of the way with the wiring harnesses connected.

3. Remove the exhaust manifold. Service and Repair

4. Remove the intake manifold. (See Service and Repair.)

5. Disconnect the heater hose and radiator hose.

6. Disconnect the wiring harness.

7. To firmly support the engine, first set the engine jack and attachment to the oil pan.






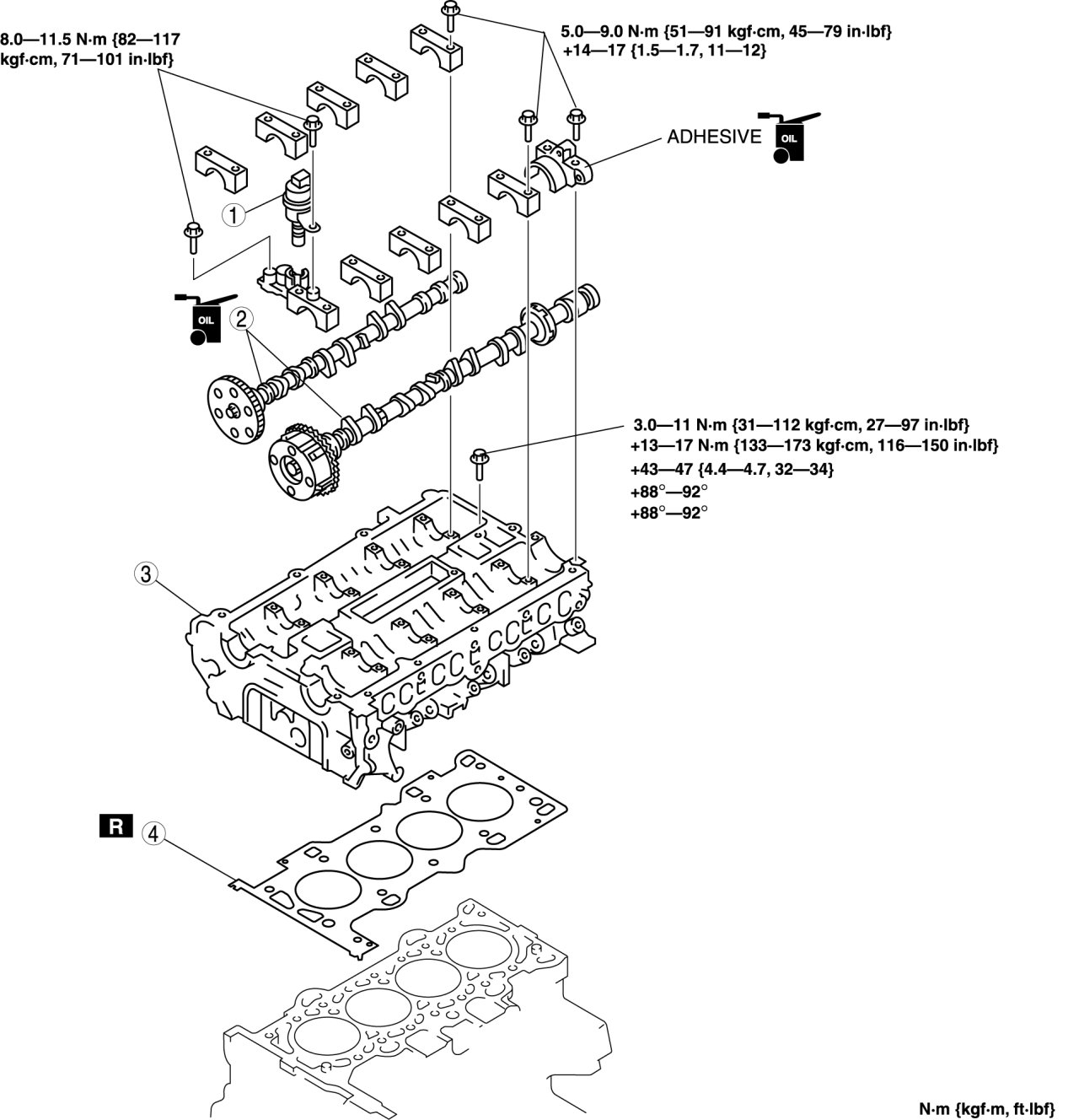
8. Remove in the order indicated in the figure.

9. Install in the reverse order of removal.

10. Bleed the air from the cooling system. (See Service and Repair.)

11. Inspect the compression pressure. (See Testing and Inspection.)










Camshaft Removal Note

NOTE:
- The camshaft caps are to be kept ordered for correct reassembly in their original positions.

1. Loosen the camshaft cap bolts in two or three passes in the order shown, and remove them.






Cylinder Head Removal Note

1. Loosen the cylinder head installation bolts in two to three passes in the order shown in the figure and remove them.






Cylinder Head Installation Note

1. Measure the length of each cylinder head bolt.






- Replace any cylinder head bolts that exceed the maximum length.

Cylinder head bolt length
- Standard: 144.7-145.3 mm {5.697-5.720 in}
- Maximum: 146 mm {5.74 in}





Tightening procedure
- 3.0-11 Nm {31-112 kgf-cm, 27-97 in-lbf}
- 13-17 Nm {133-173 kgf-cm, 116-150 in-lbf}
- 43-47 Nm {4.4-4.7 kgf-m, 32-34 ft-lbf}
- 88°-92°
- 88°-92°

Camshaft Installation Note

1. Apply the gear oil (SAE No. 90 or equivalent) to each journal of the cylinder head as shown in the figure.






2. Install the camshaft with No.3 cylinder cam aligned at TDC of compression stroke.

3. Apply the gear oil (SAE No. 90 or equivalent) to each journal of the camshaft as shown in the figure. However, do not apply it to the end journal of the intake camshaft.






4. Carefully apply adhesive agent (Loctite 518 or 962) to the area indicated in the figure so that it does not leak into the sliding part then, apply the gear oil (SAE No. 90 or equivalent) to the journal.






Adhesive agent thickness
- 1.0 mm {0.039 in}

5. Install the camshaft caps and temporarily tighten the camshaft cap bolts evenly in two or three passes, and then tighten the camshaft cap bolts using the following two steps, in the order shown in the figure.






Tightening procedure
- 5.0-9.0 Nm {51-91 kgf-cm, 45-79 in-lbf}
- 14-17 Nm {1.5-1.7 kgf-m, 11-12 ft-lbf}