Operation CHARM: Car repair manuals for everyone.
Manuals through 2025 now available!

Our trusted friends have launched a new website named LEMON, which has newer manuals. It also contains all the CHARM manuals.

LEMON is the spiritual successor to CHARM, I recommend you try it!

Link: lemon-manuals.la or lemon-manuals.org.ua

(Some people have issue connecting. LEMON is investigating. For now, use Firefox or change your DNS server)

Or, hide this message: temporarily or permanently

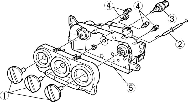
Overhaul




CLIMATE CONTROL UNIT DISASSEMBLY/ASSEMBLY [MANUAL AIR CONDITIONER]

Disassemble in the order indicated in the table.










Wire Disassembly Note

1. Disassemble the wire in the shown in the figure.






Wire Assembly Note

1. Assemble the wire to the position as shown in the figure.