Operation CHARM: Car repair manuals for everyone.
Manuals through 2025 now available!

Our trusted friends have launched a new website named LEMON, which has newer manuals. It also contains all the CHARM manuals.

LEMON is the spiritual successor to CHARM, I recommend you try it!

Link: lemon-manuals.la or lemon-manuals.org.ua

(Some people have issue connecting. LEMON is investigating. For now, use Firefox or change your DNS server)

Or, hide this message: temporarily or permanently

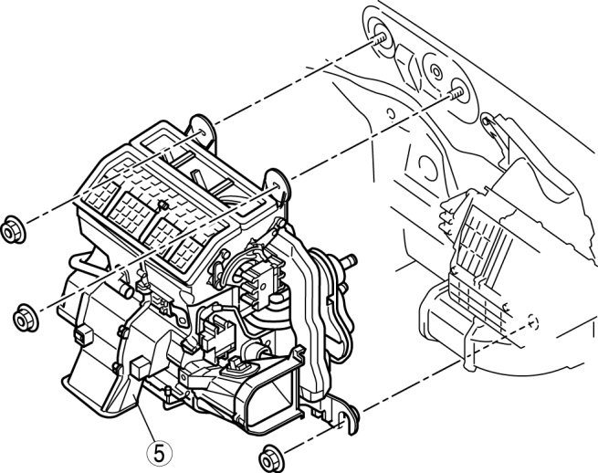
Removal and Replacement




A/C UNIT REMOVAL/INSTALLATION

1. Disconnect the negative battery cable.

2. Discharge the refrigerant from the system. Refrigerant Recovery Refrigerant Charging

3. Drain the engine coolant. Service and Repair Service and Repair

4. Remove the following parts:
a. Console panel Console Panel Removal/Installation

b. Console Console Removal/Installation

c. Front scuff plate inner Front Scuff Plate Removal/Installation

d. Front side trim Front Side Trim Removal/Installation

e. Dashboard under cover

f. Glove compartment Service and Repair

g. Hood release lever Service and Repair

h. Lower panel Lower Panel Removal/Installation

i. Decoration panel Decoration Panel Removal/Installation

j. Center panel Center Panel Removal/Installation

k. Audio unit Audio Unit Removal/Installation

l. Climate control unit Climate Control Unit Removal/Installation - Full-Auto Air Conditioner Climate Control Unit Removal - Manual Air Conditioner Climate Control Unit Removal - Manual Air Conditioner

m. Knee bolster Knee Bolster Removal/Installation

n. Meter hood Meter Hood Removal/Installation

o. Column cover Service and Repair

p. Instrument cluster Removal and Replacement

q. Driver-side air bag module Driver-Side Air Bag Module Removal/Installation

r. Steering wheel Service and Repair

s. Combination switch Removal and Replacement

t. Steering shaft Service and Repair

u. A-pillar lower trim A-Pillar Lower Trim Removal/Installation

v. A-pillar trim A-Pillar Trim Removal/Installation

w. Dashboard Dashboard Removal/Installation

5. Remove in the order indicated in the table. Do not allow compressor oil to spill.















6. Install in the reverse order of removal.

7. Perform the refrigerant system performance test. Refrigerant System Performance Test

A/C Unit Installation Note

1. When installing a new A/C unit or evaporator, add a supplemental amount of FD46XG compressor oil into the refrigerant cycle.

Supplemental amount (approx. quantity)
- 25 ml {25 cc, 0.8 fl oz}