Operation CHARM: Car repair manuals for everyone.
Manuals through 2025 now available!

Our trusted friends have launched a new website named LEMON, which has newer manuals. It also contains all the CHARM manuals.

LEMON is the spiritual successor to CHARM, I recommend you try it!

Link: lemon-manuals.la or lemon-manuals.org.ua

(Some people have issue connecting. LEMON is investigating. For now, use Firefox or change your DNS server)

Or, hide this message: temporarily or permanently

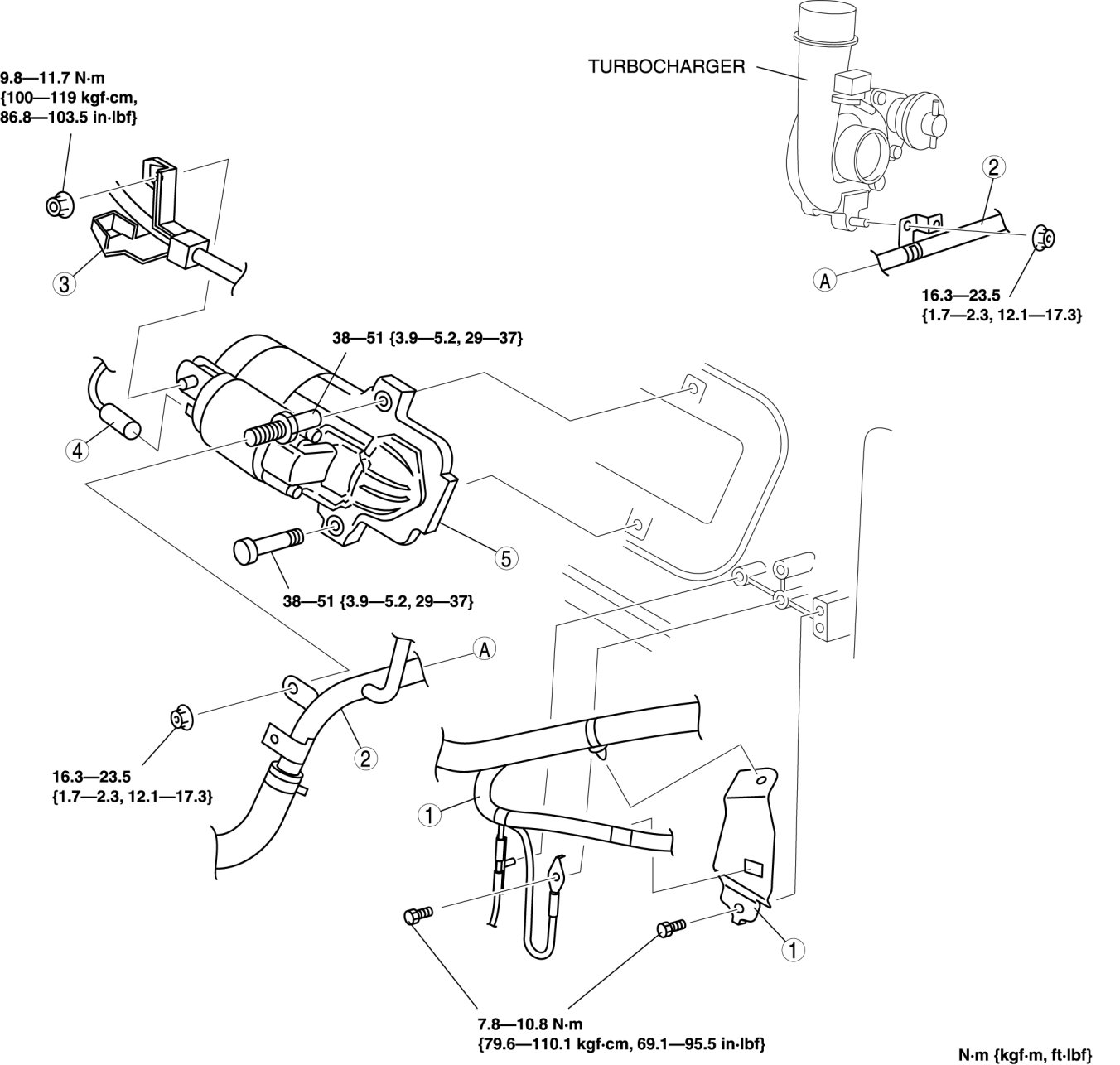
Removal and Replacement




STARTER REMOVAL/INSTALLATION [L3 WITH TC]

WARNING:
- Remove and install all parts when the engine is cold, otherwise they can cause severe burns or serious injury.

- When the battery cables are connected, touching the vehicle body with starter terminal B will generate sparks. This can cause personal injury, fire, and damage to the electrical components. Always disconnect the negative battery cable before performing the following operation.

1. Remove the battery and battery tray. Removal and Replacement

2. Remove the charge air cooler duct, air cleaner and fresh air duct component, and air hose. Service and Repair

3. Remove the under cover.

4. Remove in the order indicated in the table.

5. Install in the reverse order of removal.









Heater Pipe Removal Note

1. Remove the heater pipe with the water hoses still connected. Position the heater pipe so that it is out of the way.

Starter Removal Note

1. Remove the starter from above the engine compartment.

Starter Installation Note

NOTE:
- If there is peeling on or damage to the insulator, attach a new insulator using the following procedure:






1. Peel off the insulator from the starter completely using a scraper.

2. Degrease the insulator attachment area.






3. Attach a new insulator to the starter.