Operation CHARM: Car repair manuals for everyone.
Manuals through 2025 now available!

Our trusted friends have launched a new website named LEMON, which has newer manuals. It also contains all the CHARM manuals.

LEMON is the spiritual successor to CHARM, I recommend you try it!

Link: lemon-manuals.la or lemon-manuals.org.ua

(Some people have issue connecting. LEMON is investigating. For now, use Firefox or change your DNS server)

Or, hide this message: temporarily or permanently

Transfer Case: Service and Repair




TRANSFER REMOVAL/INSTALLATION [AW6AX-EL]

1. Disconnect the negative battery cable.

2. Remove the following parts:
a. Battery, battery tray Removal and Replacement

b. Engine charge air cooler cover

c. Intercooler Service and Repair

d. Front pipe Service and Repair

3. Disconnect the propeller shaft from the transfer side. Service and Repair

4. Remove the transfer oil cooler with the hose still connected. Service and Repair

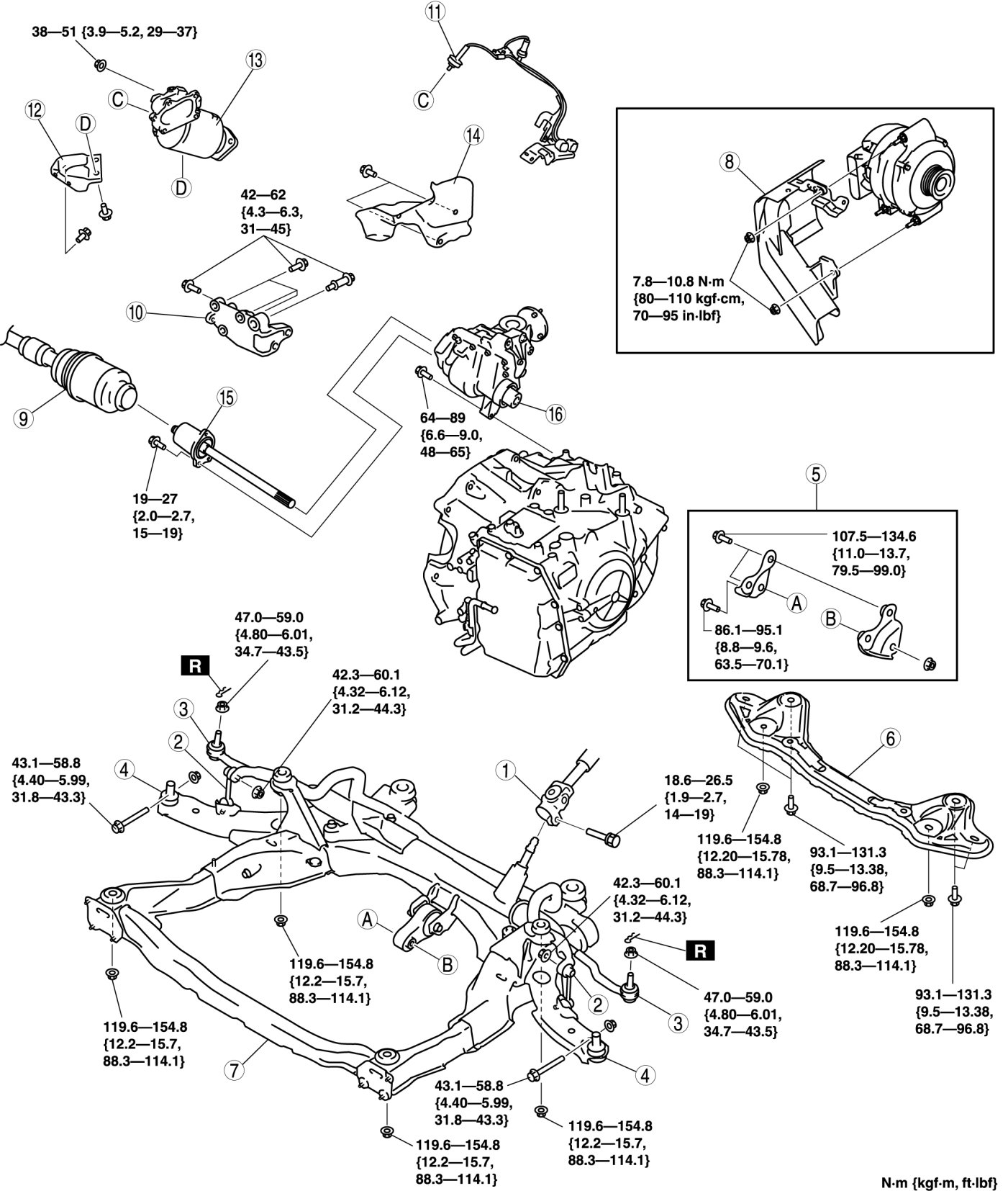
5. Remove in the order indicated in the table.

6. Install in the reverse order of removal.

7. Warm up the engine and transaxle, inspect for oil leakage, and inspect the transfer operation.









Transfer Bracket Installation Note

1. Install the transfer bracket to transfer, then temporarily tighten bolt A and B.






2. Tighten the transfer bracket bolt A and, B in the order of A->B.

Tightening torque
- Bolt A, B: 42-62 Nm {4.3-6.3kgf-m, 31-45 ft-lbf}

3. Tighten the bolt C.

Tightening torque
- Bolt C: 42-62 Nm {4.3-6.3kgf-m, 31-45 ft-lbf}

No.1 Engine Mount Installation Note

1. Install the No.1 engine mount bracket on the automatic transaxle case and temporarily tighten bolt A and B.






2. Install the No.1 engine mount rubber on the bracket and temporarily tighten bolt C.

3. Tighten the No.1 engine mount bracket bolt A and B in order of A->B.

Tightening torque
- Bolt A, B: 107.5-134.6 Nm {11.0-13.7kgf-m, 79.5-99.0 ft-lbf}

4. Fully tighten the bolt C.

Tightening torque
- Bolt C: 86.1-95.1 Nm {8.8-9.6 kgf-m, 63.5-70.1 ft-lbf}

NOTE:
- Bolt C can be tightened from the nut side. When tightening from the nut side, tighten it according to the following tightening torque.
- The tightening torque when tightening from the bolt side is different than when doing it from the nut side because the amount of force required to tighten the respective mount areas differs. These differences in force applied to the mount areas is because of the differences in the contacting surfaces of the mount areas and the material.





Nut C tightening torque
- Nut C: 59.3-72.5 Nm {6.0-7.3 kgf-m, 43.7-53.4 ft-lbf}