Operation CHARM: Car repair manuals for everyone.
Manuals through 2025 now available!

Our trusted friends have launched a new website named LEMON, which has newer manuals. It also contains all the CHARM manuals.

LEMON is the spiritual successor to CHARM, I recommend you try it!

Link: lemon-manuals.la or lemon-manuals.org.ua

(Some people have issue connecting. LEMON is investigating. For now, use Firefox or change your DNS server)

Or, hide this message: temporarily or permanently

Front Door Window Motor: Testing and Inspection




POWER WINDOW MOTOR INSPECTION

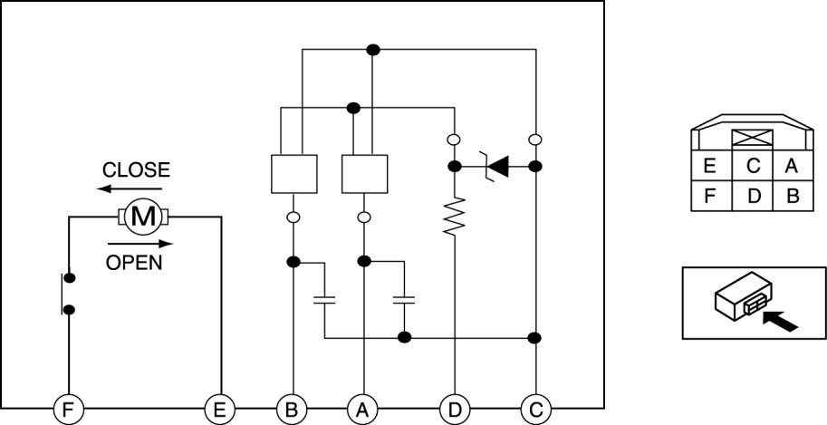
Front Power Window Motor

1. Disconnect the negative battery cable.

2. Remove the following parts:
a. Inner garnish Inner Garnish Removal/Installation

b. Front door trim Front Door Trim Removal/Installation

3. Disconnect the front power window motor connector.

4. Apply battery positive voltage and connect the ground to power window motor terminals E and F, and then inspect the front power window motor operation.






- If the front power window motor does not operate as indicated in the table, replace it.

CAUTION:
- If the front power window motor temperature is high, the motor may not rotate due to the motor internal bimetal function. Leave it untouched for about 3 min to cool it down, then reinspect.





5. Connect the battery positive voltage to front power window motor terminal D and connect terminal C to ground.

6. Operate the front power window motor and measure the voltage at terminals A and B.

- If there is any malfunction, replace the front power window motor.

Voltage
- Pulse: max. 12 V/min. 0 V

Rear Power Window Motor

1. Disconnect the negative battery cable.

2. Remove the following parts:
a. Sail garnish Sail Garnish Removal/Installation

b. Rear door trim Rear Door Trim Removal/Installation

3. Disconnect the rear power window motor connector.

4. Apply battery positive voltage and connect the ground to rear power window motor terminals E and F, and then inspect the rear power window motor operation.






- If the power window motor does not operate as indicated in the table, replace it.

CAUTION:
- If the power window motor temperature is high, the motor may not rotate due to the motor internal bimetal function. Leave it untouched for about 3 min to cool it down, then reinspect.